Rafael Riddell Carvajal - Fundamentos de ingeniería estructural para estudiantes de arquitectura

Здесь есть возможность читать онлайн «Rafael Riddell Carvajal - Fundamentos de ingeniería estructural para estudiantes de arquitectura» — ознакомительный отрывок электронной книги совершенно бесплатно, а после прочтения отрывка купить полную версию. В некоторых случаях можно слушать аудио, скачать через торрент в формате fb2 и присутствует краткое содержание. Жанр: unrecognised, на испанском языке. Описание произведения, (предисловие) а так же отзывы посетителей доступны на портале библиотеки ЛибКат.

Fundamentos de ingeniería estructural para estudiantes de arquitectura: краткое содержание, описание и аннотация

Предлагаем к чтению аннотацию, описание, краткое содержание или предисловие (зависит от того, что написал сам автор книги «Fundamentos de ingeniería estructural para estudiantes de arquitectura»). Если вы не нашли необходимую информацию о книге — напишите в комментариях, мы постараемся отыскать её.

Este libro entrega una visión global del problema del análisis y diseño estructural para estudiantes de Arquitectura. Su enfoque es esencialmente conceptual, desarrollado en una secuencia lógica basada en principios fundamentales de la física y la mecánica estructural, a fin de dar al estudiante una base racional sólida que le permita comprender cómo funcionan las estructuras, sobre todo desde el punto de vista sísmico. El propósito primordial de esta enseñanza en la carrera de Arquitectura es que los futuros profesionales desarrollen sus obras con un esqueleto resistente sano y que además comprendan que las características y el comportamiento de las estructuras pueden quedar determinadas por el proyecto arquitectónico.

Fundamentos de ingeniería estructural para estudiantes de arquitectura — читать онлайн ознакомительный отрывок

Ниже представлен текст книги, разбитый по страницам. Система сохранения места последней прочитанной страницы, позволяет с удобством читать онлайн бесплатно книгу «Fundamentos de ingeniería estructural para estudiantes de arquitectura», без необходимости каждый раз заново искать на чём Вы остановились. Поставьте закладку, и сможете в любой момент перейти на страницу, на которой закончили чтение.

Тёмная тема
Сбросить

Интервал:

Закладка:

Сделать
102 Hallar el centro de gravedad del área mostrada en la figura Respuesta - фото 247

1.02 Hallar el centro de gravedad del área mostrada en la figura. (Respuesta: x*= 1,09 cm, y*=3 cm)

103 Encontrar el centro de gravedad de los 4 círculos de radio 1 cm ubicados - фото 248

1.03 Encontrar el centro de gravedad de los 4 círculos de radio 1 cm ubicados como se indica. (Respuesta: x*=5 cm, y*=3 cm)

104 Encontrar el centro de gravedad de la superficie sombreada de la figura - фото 249

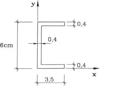
1.04 Encontrar el centro de gravedad de la superficie sombreada de la figura. (Respuesta: x*=4 cm, y*=4,55 cm)

Fundamentos de ingeniería estructural para estudiantes de arquitectura - изображение 250

1.05 Demuestre que el centro de gravedad de un área trapecial de bases a y b y altura h tiene una coordenada y* igual a

Fundamentos de ingeniería estructural para estudiantes de arquitectura - изображение 251 106 Encontrar el centro de gravedad del área de la figura achurada usar - фото 252

1.06 Encontrar el centro de gravedad del área de la figura achurada (usar centro de gravedad de un sector semicircular de Tabla V.2). (Respuesta: x*=17,88 cm, y*=38,47 cm)

107 Un disco de radio r 150 cm y espesor unitario tiene cuatro agujeros como - фото 253

1.07 Un disco de radio r 1=50 cm y espesor unitario tiene cuatro agujeros como se muestra en la figura. Los centros de los agujeros están sobre una circunferencia de radio r 2=30 cm formando ángulos de 60º. Determine el centro de gravedad del disco en el plano x, y. (Respuesta: x*=13 r 2 3/(625–r 2 3), y*=0 cm)

108 Encontrar el centro de gravedad del área de la figura achurada - фото 254

1.08 Encontrar el centro de gravedad del área de la figura achurada. (Respuesta: x*=8,4 cm, y*=4,7 cm)

109 Determinar el centro de gravedad de una placa circular de material - фото 255

1.09 Determinar el centro de gravedad de una placa circular de material homogéneo y espesor constante con una perforación triangular como se muestra. (Respuesta: x*=y*= -0,5074)

110 Determinar las coordenadas del centro de gravedad del cuerpo plano que se - фото 256

1.10 Determinar las coordenadas del centro de gravedad del cuerpo plano que se indica, el cual está dibujado a escala. Cada cm 2de área (achurada) pesa 15 gramos y cada cm de longitud de la barra AB pesa 5 gramos. (Respuesta: x*=3,95 cm, y*=6,62 cm)

111 Descomponga la fuerza de 800 kg en dos componentes a lo largo de las - фото 257

1.11 Descomponga la fuerza de 800 kg en dos componentes a lo largo de las direcciones e 1y e 2indicadas. Use solución gráfica y compruebe analíticamente. (Respuesta: F 1=771,58 kg, F 2=601,99 kg)

112 Sobre una partícula actúa el sistema de fuerzas F 1800 kg F 2600 kg F - фото 258

1.12 Sobre una partícula actúa el sistema de fuerzas F 1=800 kg, F 2=600 kg, F 3=1131,4 kg y F 4= 1341,6 kg. Determinar la resultante del sistema e indicar cuáles son sus componentes en las direcciones x e y. Determinar las componentes de la resultante en un nuevo sistema de ejes x’ y’ correspondiente al sistema xy original girado en 45° en sentido trigonométrico positivo. Use solución gráfica y compruebe analíticamente. (Respuesta: F x= -200 kg, F y= -600 kg, F x’= -565,69 kg, F y’= -282,84 kg)

113 Sobre una partícula actúa el sistema de 5 fuerzas coplanares indicado Se - фото 259

1.13 Sobre una partícula actúa el sistema de 5 fuerzas coplanares indicado. Se pide: a) determinar analíticamente su resultante, b) dibujar el polígono de fuerzas y su resultante. (Respuesta: R=57,77, α=265,7º)

114 Sea un sistema de fuerzas F ique actúan en un plano vertical formando - фото 260

1.14 Sea un sistema de fuerzas F ique actúan en un plano vertical, formando ángulos α imedidos desde la dirección x horizontal, y aplicadas en los puntos P icuyas coordenadas se indican. Usando el polígono funicular determinar gráficamente la resultante e indicar el punto de coordenadas (x, 0) por donde pasa la línea de acción de la resultante.

115 Sobre un soporte fijo a la pared actúan las fuerzas F 150 F 280 y F - фото 261

1.15 Sobre un soporte fijo a la pared actúan las fuerzas F 1=50, F 2=80 y F 3=90 formando ángulos α=31° y β=60°. Determine: a) la magnitud y dirección de la resultante R = {F 1, F 2, F 3}, b) las componentes horizontal y vertical de R y dibújelas actuando sobre el soporte en sus sentidos positivos, c) las reacciones V y H de la pared sobre el soporte y dibújelas actuando sobre el soporte en sus sentidos positivos. (Respuesta: R=175,8, α=17,27°, R H=167,9, R v=52,2)

116 Determinar la resultante del sistema de fuerzas paralelas dado a - фото 262

1.16 Determinar la resultante del sistema de fuerzas paralelas dado: a) mediante solución geométrica utilizando polígono funicular, b) utilizando el concepto de centro de gravedad.

117 Un bloque de peso W se sostiene mediante dos cables livianos Determinar - фото 263

1.17 Un bloque de peso W se sostiene mediante dos cables livianos. Determinar las fuerzas en los cables. (Respuesta: 0,879W; 0,652W)

118 Una esfera que pesa 10 kg y tiene 15 cm de radio cuelga de un cable - фото 264

1.18 Una esfera que pesa 10 kg y tiene 15 cm de radio cuelga de un cable liviano y se apoya sobre una pared lisa. Determinar la fuerza T en el cable y la reacción de la pared sobre la esfera. (Respuesta: 10,44; 3)

119 Sobre una pequeña rueda que puede moverse libremente sobre un hilo liviano - фото 265

1.19 Sobre una pequeña rueda que puede moverse libremente sobre un hilo liviano se aplica una fuerza P. Demuestre que sólo hay equilibrio si α=7,5º, y que en el estado de equilibrio la fuerza de tracción del cable es 82,1% de P.

Читать дальше
Тёмная тема
Сбросить

Интервал:

Закладка:

Сделать

Похожие книги на «Fundamentos de ingeniería estructural para estudiantes de arquitectura»

Представляем Вашему вниманию похожие книги на «Fundamentos de ingeniería estructural para estudiantes de arquitectura» списком для выбора. Мы отобрали схожую по названию и смыслу литературу в надежде предоставить читателям больше вариантов отыскать новые, интересные, ещё непрочитанные произведения.


Отзывы о книге «Fundamentos de ingeniería estructural para estudiantes de arquitectura»

Обсуждение, отзывы о книге «Fundamentos de ingeniería estructural para estudiantes de arquitectura» и просто собственные мнения читателей. Оставьте ваши комментарии, напишите, что Вы думаете о произведении, его смысле или главных героях. Укажите что конкретно понравилось, а что нет, и почему Вы так считаете.

x