Carlos Ruiz Zamarreño - Programación de microcontroladores paso a paso

Здесь есть возможность читать онлайн «Carlos Ruiz Zamarreño - Programación de microcontroladores paso a paso» — ознакомительный отрывок электронной книги совершенно бесплатно, а после прочтения отрывка купить полную версию. В некоторых случаях можно слушать аудио, скачать через торрент в формате fb2 и присутствует краткое содержание. Жанр: unrecognised, на испанском языке. Описание произведения, (предисловие) а так же отзывы посетителей доступны на портале библиотеки ЛибКат.

Programación de microcontroladores paso a paso: краткое содержание, описание и аннотация

Предлагаем к чтению аннотацию, описание, краткое содержание или предисловие (зависит от того, что написал сам автор книги «Programación de microcontroladores paso a paso»). Если вы не нашли необходимую информацию о книге — напишите в комментариях, мы постараемся отыскать её.

Los sistemas digitales y, en particular, los microcontroladores están sustituyendo día a día la mayor parte de las funciones reservadas tradicionalmente a la electrónica analógica. Por ello, el conocimiento de su funcionamiento resulta una parte esencial en la formación de cualquier persona interesada en la electrónica o en la ingeniería.
Este libro le proporciona todo lo necesario para aprender a programar microcontroladores paso a paso y dominar las utilidades de estos semiconductores.
oPresentación de las herramientas de programación de microcontroladores
oLista con varias de las tarjetas empleadas en el desarrollo con microcontroladores
oUtilización de un entorno de programación sencillo y en la nube
oEmpleo de ejemplos guiados con diferentes niveles de complejidad
oPropuesta de modificaciones para profundizar en el conocimiento del sistema
Asimismo, en la parte inferior de la primera página del libro encontrará el código que le permitirá acceder de forma gratuita al código de los programas.
Aprender a programar microcontroladores de forma autónoma y segura es ya una realidad. No pierda la oportunidad de conseguir este libro y comenzar una aventura en la que conocerá todas las posibilidades que ofrece este tipo de sistemas y muchas de las maneras en las que puede ser utilizado. Seguro que no se arrepentirá.

Programación de microcontroladores paso a paso — читать онлайн ознакомительный отрывок

Ниже представлен текст книги, разбитый по страницам. Система сохранения места последней прочитанной страницы, позволяет с удобством читать онлайн бесплатно книгу «Programación de microcontroladores paso a paso», без необходимости каждый раз заново искать на чём Вы остановились. Поставьте закладку, и сможете в любой момент перейти на страницу, на которой закончили чтение.

Тёмная тема
Сбросить

Интервал:

Закладка:

Сделать

La utilización de MCC y la configuración de cada uno de los recursos se irá revisando de forma gradual en los ejemplos que se desarrollarán más adelante. Así, ahora nos quedaremos simplemente con que serán los recursos de la ventana Project Resources los que nos permitan visualizar los módulos con los que vamos a interactuar y los que tengamos que ajustar a través de las ventanas de configuración para generar el código necesario para la inicialización del sistema .

4

HARDWARE COMPATIBLE

El entorno de programación MPLAB® Xpress IDE es compatible con diferentes tipos de hardware, como el debugger/programador PICkit 3 orientado a proyectos con hardware personalizado, las placas de desarrollo con la función de debugger como la Explorer o la Curiosity para sistemas MCU de 16/32 bits y 8 bits respectivamente, y las placas de evaluación de bajo coste (unos 10 €), sin la opción de debugger y orientadas hacia microcontroladores de 8 bits, como la que utilizaremos a lo largo de los ejemplos que aparecen en este libro. Entre estas últimas nos encontramos con diferentes modelos, como la DM164140, que es la que utilizaremos en este libro, pensada para aplicaciones de propósito general; la DM164141, orientada hacia aplicaciones de bajo consumo; la DM164142, que satisface aplicaciones de propósito general con requerimientos más elevados; o la DM164143, pensada para aplicaciones de bajo coste. Las distintas funcionalidades vienen definidas principalmente por el modelo de microcontrolador que lleva integrado cada una de las tarjetas.

4.1 DM164140

La placa de desarrollo DM164140 es una placa de evaluación que, a pesar de no incluir la opción de debugger, nos permitirá desarrollar multitud de aplicaciones. Muchas de estas aplicaciones las podremos probar utilizando los diferentes módulos hardware que integra la misma tarjeta o conectando módulos externos, bien a través de su conector mikroBUS compatible con los módulos click de MikroElektronica®, bien mediante los terminales situados a ambos lados de la tarjeta, que están conectados con los pines del microcontrolador, tal y como se observa en la Figura 4.1.

Figura 41 Tarjeta de evaluación DM164140 A través de los módulos hardware - фото 51

Figura 4.1 Tarjeta de evaluación DM164140.

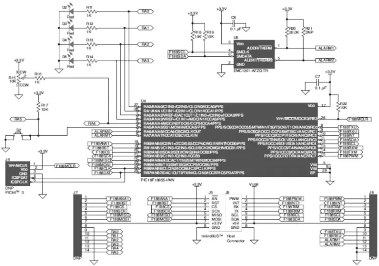
A través de los módulos hardware, que incorporan la tarjeta de evaluación, y sus conexiones con el microcontrolador, será posible explorar muchas de las funcionalidades y los modos de funcionamiento de los periféricos. Las conexiones de estos módulos con el microcontrolador se muestran en la Figura 4.2. Entre ellas, podemos observar las conexiones con el conector microBUS , cuatro ledes rojos conectados a los terminales RA0-RA3, un pulsador conectado al terminal RA5, un potenciómetro conectado al terminal RA4, un sensor de temperatura digital (EMC1001) conectado a los terminales RC3/SCL y RC4/SDA del puerto de comunicaciones I2C y las conexiones con el microcontrolador PIC18LF25K50 a través de los terminales RB6/CLK, RB7/DAT y RE2/MCLR (función de programador) y los terminales RC0/TX y RC1/RX (puente para la utilización del puerto de comunicaciones UART), que permitirán la comunicación del microcontrolador con nuestro ordenador mediante la utilización de un emulador de terminal.

Figura 42 Conexiones del microcontrolador PIC16F18855 con los módulos - фото 52

Figura 4.2 Conexiones del microcontrolador PIC16F18855 con los módulos hardware.

Tal y como se indicó anteriormente, la tarjeta DM164140 está pensada para el desarrollo de aplicaciones de propósito general. Esta funcionalidad está principalmente dictada por la utilización del microcontrolador PIC16F18855, cuyas características principales y periféricos se describirán en el siguiente apartado. Sin embargo, esta tarjeta no incluye la función de debugger, por lo que no será posible realizar la ejecución de nuestros programas paso a paso para depurar el código y corregir los posibles bugs. A pesar de no contar con la función de debugger, y de forma similar a lo que ocurre con las placas Arduino®, es posible realizar la comunicación entre el microcontrolador y el ordenador utilizando como puente entre ellos el microcontrolador PIC18LF25K50 que se encuentra en la placa, según se muestra en la Figura 4.3. De esta forma, podremos visualizar a través de la pantalla del terminal los mensajes que nos envíe el microcontrolador durante la ejecución del programa y, a través de estos mensajes, podremos obtener la información necesaria para establecer o no la correcta ejecución de este.

Figura 43 Conexión entre la placa DM164140 y el ordenador Para ello será - фото 53

Figura 4.3 Conexión entre la placa DM164140 y el ordenador.

Para ello será necesario contar en nuestro ordenador con un emulador de terminal, como Hercules, Teraterm, Coolterm (este último será el que utilicemos en los ejemplos) o cualquier otro similar que nos descarguemos de Internet. Este modo de funcionamiento requiere la instalación de unos drivers adicionales que habiliten este tipo de comunicación a través del puerto USB. La instalación de estos drivers se realiza generalmente de forma automática al conectar el dispositivo, pero hay casos en los que no es así. La solución en estos casos, a pesar de no ser demasiado complicada, no es trivial, por lo que a continuación describiré paso a paso el proceso de instalación manual para aquellos a quienes no se les haya instalado de forma automática.

Instalación de los drivers USB Communication Device Class (CDC drivers)

• Descargaremos los drivers CDC de la página web de Microchip y los extraeremos en una carpeta en nuestro ordenador.

http://ww1.microchip.com/downloads/en/SoftwareLibrary/inf%20-%20Composite%20Device.zip

• Conectaremos la placa DM164140 al ordenador.

• Accederemos al administrador de dispositivos en nuestro ordenador desde el panel de control, o bien haciendo clic con el botón derecho en Equipo y luego en Propiedades .

En Administrador de dispositivos buscaremos en el desplegable Otros dispositivos y haremos clic con el botón derecho en el dispositivo que cuelga de esta rama, seleccionando la opción Actualizar software de controlador .

A continuación, seleccionaremos la opción Buscar software de controlador en el equipo y elegiremos Seleccionar de una lista de controladores en el equipo .

En la siguiente ventana, elegiremos Utilizar disco y buscaremos la carpeta donde hemos extraído los drivers para seleccionar el archivo “.inf” que allí se encuentra .

Pulsaremos finalmente Aceptar para finalizar la instalación del controlador y comprobaremos que ahora en el administrador de dispositivos nos aparezca el nuevo puerto de comunicaciones, que será el que utilice el terminal para recibir la información de nuestro microcontrolador ( Figura 4.4) .

Figura 44 Configuración del puerto de comunicación serie Una vez configurado - фото 54

Figura 4.4 Configuración del puerto de comunicación serie.

Una vez configurado el dispositivo para la transmisión de datos al ordenador a través de la comunicación serie, será importante tener en cuenta que la realización de cada nueva programación del microcontrolador requerirá pulsar el botón Reset de la placa para iniciar la transferencia del archivo al dispositivo .

Читать дальше
Тёмная тема
Сбросить

Интервал:

Закладка:

Сделать

Похожие книги на «Programación de microcontroladores paso a paso»

Представляем Вашему вниманию похожие книги на «Programación de microcontroladores paso a paso» списком для выбора. Мы отобрали схожую по названию и смыслу литературу в надежде предоставить читателям больше вариантов отыскать новые, интересные, ещё непрочитанные произведения.


Отзывы о книге «Programación de microcontroladores paso a paso»

Обсуждение, отзывы о книге «Programación de microcontroladores paso a paso» и просто собственные мнения читателей. Оставьте ваши комментарии, напишите, что Вы думаете о произведении, его смысле или главных героях. Укажите что конкретно понравилось, а что нет, и почему Вы так считаете.

x