Alpaka, engl. = alpaca, paco; Neuweltkamel.
1. Garne und Zwirne aus den Haaren der südamerik. Lamaart. Man unterscheidet zwei verschiedene Arten von Pacos: das Suri und das Huacaya. Während das Haar des selteneren Suri-Alpaka glatt und glänzend ist, wächst das Haar des Huacaya-Alpaka gleichmäßig gekräuselt und ist daher auch sehr gut zum Filzen geeignet. Da die Huacayas weiter verbreitet sind, wird dieser Typus auch überwiegend im Textilbereich verarbeitet. Alpaka (WP) ist sehr weich, langstapelig, seidenartig glänzend. Auf den Hochebenen der südamerik. Anden in 4.000–5.000 m Höhe sind die Tiere eisiger Kälte und glühender Hitze ausgesetzt, wovor sie ihr extrem dichtes, widerstandsfähiges Haar schützt. Alpakas werden in der Regel nur alle zwei Jahre geschoren. Je Tier erhält man ein ca. 3,5 kg schweres Vlies. Pro Jahr steht der Welt nur eine Schiffsladung Alpaka zur Verfügung, was den hohen Preis verständlich macht. Der seidige Glanz, der angenehme Griff, die Leichtigkeit und die Wärme machen Gewebe, Gestricke und Gewirke aus Alpaka so komfortabel. Das Haar des Alpakas ist von winzig kleinen Schuppen umgeben, die besonders glatt anliegen und dadurch das Licht besser reflektieren, was den edlen Glanzeffekt erklärt. Langlebig, strapazierfähig, unempfindlich im Gebrauch wird dieses Material auch mit Kaschmir verglichen. Die Faserlänge beträgt 150– 300 mm, Flaumhaare sind ca. 100 mm lang, der Querschnitt ist rund bis oval, der Faserdurchmesser beträgt 30–50 µm, bei den Flaumhaaren 15–20 µm.
Man verwechsle diesen Begriff nicht mit → Alpakka.
Einsatz: Pullover, Jacken, Anzüge, Kostüme, Mäntel, Accessoires usw.
2. Als Handelsbezeichnung steht der Name auch für sog. Halbwollqualitäten (Kette Baumwolle, Schuss Alpaka) in Kamm- oder Streichgarntypen. Bindung: Tuch (Leinwand). Dieser Typ wird auch als → Lüster oder Orleans bezeichnet. Hieraus fertigt man leichte Sommerjacken, aber auch Schürzenstoffe. Der Lüster ist härter und spröder im Griff.
Alpakka, engl. = alpaca rayon; Alpakkagarn wird aus Reißwolle hergestellt und ist von minderer Qualität. Nicht verwechseln mit → Alpaka.
Altweltkamele, hier unterscheidet man das einhöckrige → Dromedarvom zweihöckrigen Kamel; ihre Heimat ist Asien und Afrika, während die → Neuweltkamele, wie → Lama, → Vikunja, → Alpakaund → Guanako, in Südamerika leben.
Amara, Markenname von Haru-Kuraray, wurde schon Anfang der 1980er Jahre in → Amaretta™umbenannt.
Amaretta™, Markenname für ein 1984 entwickeltes Mikrofaserwirbelvlies von Haru-Kuraray.
Amaretta™, auch als Hightech-Material bezeichnet, ist ein Rau- und Glattlederimitat, das sich aus 60 % Polyamid-Mikrofaser (0,001–0,01 dtex) und 40 % atmungsaktivem Polyurethan-Harz zusammensetzt. Ausgangsmaterial sind Mikrofibrillen-Verbundfasern vom sog. „Spaghetti-Typ“. Zur Herstellung werden zunächst zwei Polymerverbindungen (Polyamid und Polystyrol) gemischt, geschmolzen und normal ausgesponnen (Schmelzspinnverfahren). Aus den Filamentbündeln werden ca. 10 cm lange Fasern geschnitten, die dann dreidimensional zu einer Matte verwirbelt werden, die anschließend mit einem porösen, luftdurchlässigen Polyurethan-Harz imprägniert wird. Hierdurch werden die mechanischen Eigenschaften, der Griff, die Elastizität, Scheuerfestigkeit und Reißfestigkeit verbessert. Anschließend wird aus den Fasern mit einem Lösungsmittel eine der beiden Polymere „herausgewaschen“ (Hüllenentfernung). So entsteht aus jeder Feinfaser ein Mikrofaserbündel und das Mikrofaserwirbelvlies. Es folgt ein Oberflächenschliff und anschließend der Färbeprozess. Abschließend wird die Ware gebürstet, um dem Raulederimitat Strich und Profil zu geben. Glatte Oberflächen entstehen, indem man das PUR an der Oberfläche gerinnen lässt, so z. B. bei Amaretta™-HiTech und Sofrina (Mikrofibrillen-Verbundfasern). Daneben gibt es den Artikel Nash, ein Materialtyp, der für den Schuhbereich verwendet wird. Bei Lauvest, Rubina und Toraylina entsteht ein Matrixfibrillensystem in einem Spinnprozess. Die Fibrillen bestehen aus dreieckigen Polyestersegmenten, die in eine Polyamidmatrix eingebettet sind. Die Matrix kann geschrumpft oder gelöst werden und es entsteht ein weiches, dichtes Raulederimitat.
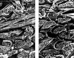
Abb.: Vergleich der Querschnitte von Amaretta (links) und Haut (rechts)
| Amaretta™ |
Typ KX 7600 225 g/m2Stärke: 0,6 mm |
| Amaretta™ |
Typ KX 7500 180 g/m2Stärke: 0,5 mm |
| Amaretta™ |
Typ KX 7400 135 g/m2Stärke: 0,35 mm |
Amaretta™ ist winddicht, wetterdicht und atmungsaktiv und lässt sich, ohne einzulaufen, problemlos bei 30 °C im Schonwaschgang behandeln. Weiterhin sind die Leichtigkeit und die Knitter- und Fleckenunempfindlichkeit (→ Scotchgard™) hervorzuheben. Das weiche, geschmeidige Amaretta™ kann gestanzt, bedruckt, geprägt, perforiert, laminiert und beliebig eingefärbt werden. Haru-Kuraray versichert eine ökologisch unbedenkliche Produktion, da Amaretta™ ohne FCKW hergestellt wird und keine Zusätze wie Formaldehyd, Cadmium, Dioxin, PCP oder Pestizide Verwendung finden.
Einsatz: DOB, HAKA, Autopolster, Schuhe, Taschen, Gürtel und Möbelstoffe (Schiffsausstattung der Queen Elizabeth).
Quelle: Informationsmaterial der Kuraray Europe GmbH.
Ambivalent, lat. ambo = beide (Seiten betreffend), valens = stark; doppelwertig und daher in sich oft widersprüchlich (z. B. ist Wolle gleichzeitig hydrophob und hygroskopisch).
Amicor™, Amicor™ Plus und Biokryl, Markennamen für die antibakterielle (AB) und fungizide (AP) Ausrüstung einer Polyacrylfaser (PAN) der Firma Thai Acrylic Fibre. Die unterschiedlichen Markennamen sollen unterschiedliche Abnehmer ansprechen. Biokryl wendet sich an einen Kundenkreis, der an hygienischer, antimikrobieller, sauberer Bekleidung interessiert ist. Amicor™ steht mehr für Ästhetik, Komfort und Frische. Abgesehen von den verwendeten Handelsnamen sind die Fasern chemisch und physikalisch identisch.
Bei der Veredlung werden antimikrobielle oder fungizide Substanzen (ein sog. chemisch-organisches Additiv, Triclosan) mit dem Spinnprozess in die Faserstruktur eingebracht, sodass sich diese Substanzen in Wasser nicht auflösen können. Diese Zusätze migrieren aber aufgrund der porösen Struktur einer nassgesponnenen Acrylfaser teilweise auf die Außenseite der Faser und nehmen so ihre antibakteriellen Aufgaben wahr. Tests haben gezeigt, dass die Hemmzone, der Abstand zwischen der Faser und dem Bakterium, teilweise über 15 mm groß ist ( Abb.). Es entsteht eine sehr hautfreundliche und absolut wasch- und reinigungsbeständige Materialtype (200 Wäschen). Reiben sich durch hohe Beanspruchung Teilbereiche der Substanzen ab, werden diese durch die im Kern gespeicherten Zusätze immer wieder ergänzt. Amicor™ lässt sich sehr gut mit anderen Faserstoffen mischen, z. B. mit Baumwolle (CO), Viskose (CV), Wolle (WO), Seide (SE) und Polyester (PES).

Abb.: Amicor
Die antimikrobische Effizienz stellt sich schon bei einem Mischungsanteil von nur 20 % ein. Amicor™ hält die Kleidung länger frisch, steigert den Komfort und ist pflegeleicht. Die fungizide Amicor™ Plus-Type ist als Ergänzung und Komforterweiterung dieses Angebots zu sehen. Weitere Amicor-Produkte: http://www.amicorpure.co.uk.
Einsatz: Amicor™ (AB): Unterwäsche, Sportkleidung, T-Shirts, Sweatshirts, Schutzkleidung, Kinderkleidung, Handtücher, Kissen, Bettwäsche, Matratzenüber züge. Amicor™ Plus: Socken, Strümpfe, Hausund Straßenschuhe, Wärmeunterwäsche, Badematten, Decken, Kissen, Bettwäsche, Matratzenüberzüge.
Читать дальше