В. Никитин - В помощь радиолюбителю. Выпуск 20

Здесь есть возможность читать онлайн «В. Никитин - В помощь радиолюбителю. Выпуск 20» весь текст электронной книги совершенно бесплатно (целиком полную версию без сокращений). В некоторых случаях можно слушать аудио, скачать через торрент в формате fb2 и присутствует краткое содержание. Город: Москва, Год выпуска: 2007, ISBN: 2007, Издательство: НТ Пресс, Жанр: sci_radio, на русском языке. Описание произведения, (предисловие) а так же отзывы посетителей доступны на портале библиотеки ЛибКат.

В помощь радиолюбителю. Выпуск 20: краткое содержание, описание и аннотация

Предлагаем к чтению аннотацию, описание, краткое содержание или предисловие (зависит от того, что написал сам автор книги «В помощь радиолюбителю. Выпуск 20»). Если вы не нашли необходимую информацию о книге — напишите в комментариях, мы постараемся отыскать её.

В этой книге приведены краткие описания и принципиальные схемы конструкций, ранее опубликованных в радиолюбительской литературе, которых вполне достаточно для сборки и налаживания различных приборов. Учтены интересы начинающих радиолюбителей самого разного возраста.
Для широкого круга радиолюбителей.

В помощь радиолюбителю. Выпуск 20 — читать онлайн бесплатно полную книгу (весь текст) целиком

Ниже представлен текст книги, разбитый по страницам. Система сохранения места последней прочитанной страницы, позволяет с удобством читать онлайн бесплатно книгу «В помощь радиолюбителю. Выпуск 20», без необходимости каждый раз заново искать на чём Вы остановились. Поставьте закладку, и сможете в любой момент перейти на страницу, на которой закончили чтение.

Тёмная тема
Сбросить

Интервал:

Закладка:

Сделать

6.1. Тиристорный частотомер

Неделькин В. [24]

В электронных частотомерах конденсаторного типа исследуемый сигнал обычно преобразуется в импульсы, нормированные по длительности и амплитуде, которыми заряжается конденсатор. В течение пауз постоянная составляющая разрядного тока оказывается пропорциональна частоте и измеряется стрелочным прибором. В предлагаемой схеме формирователь импульсов и нормирующий каскад объединены благодаря свойствам тиристора: он практически мгновенно отпирается, напряжение на открытом тиристоре близко к нулю и запирается он при уменьшении тока ниже порога удержания, независимо от тока управления. Принципиальная схема частотомера приведена на рис. 30.

Рис 30 Принципиальная схема тиристорного частотомера При отсутствии входного - фото 29

Рис. 30. Принципиальная схема тиристорного частотомера

При отсутствии входного сигнала тиристор Д1 заперт, а конденсатор С1 заряжается от источника питания стабилизированным напряжением. Ток заряда протекает через диод Д3, минуя стрелочный прибор ИП1. Приходящий входной сигнал ограничивается стабилитроном Д2 и отпирает тиристор. При этом конденсатор разряжается через тиристор и стрелочный прибор. Независимо от параметров входного сигнала за каждый его период конденсатор отдает стрелочному прибору один и тот же заряд, равный произведению емкости на напряжение заряженного конденсатора. За единицу времени (секунду) через прибор пройдет столько зарядов, сколько периодов сигнала содержится в одной секунде, а это число равно частоте сигнала.

В схеме используется микроамперметр М261 с током полного отклонения 50 мкА. При линейной шкале полное отклонение стрелки соответствует частоте 100 Гц.

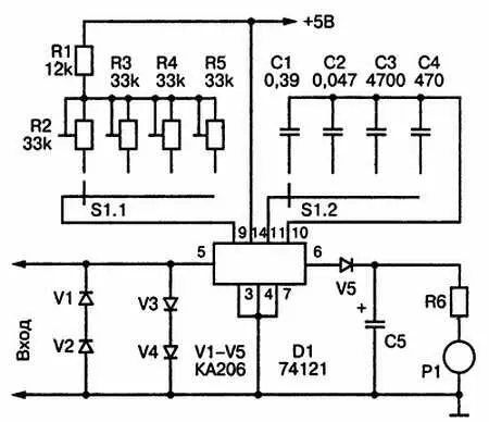
6.2. Простой частотомер [25]

Этот частотомер для получения нормированной импульсной последовательности с частотой повторения, равной частоте исследуемого сигнала, использует интегральный одновибратор (ждущий мультивибратор), который в иностранной литературе часто называется кипп-реле. После нормирования остается лишь измерить постоянную составляющую этих импульсов.

Принципиальная схема частотомера представлена на рис. 31.

Рис 31 Принципиальная схема частотомера с одновибратором Напряжение - фото 30

Рис. 31. Принципиальная схема частотомера с одновибратором

Напряжение измеряемого сигнала подается на вход одновибратора (вывод 5), который защищен от перегрузки диодами V1-V4. Переключателем S1 устанавливается необходимый диапазон измерений: 10-100 Гц, 100-1000 Гц, 1-10 кГц, 10-100 кГц. При этом к выводам 9-11 микросхемы подключается соответствующая RC-цепь, определяющая длительность выходных импульсов одновибратора. Нормированные по длительности и амплитуде импульсы с выхода одновибратора (вывод 6) заряжают конденсатор С5, напряжение на котором измеряется вольтметром, которым служит микроамперметр Р1 с добавочным резистором R6.

При использовании в схеме микроамперметра с током полного отклонения 100 мкА, емкость конденсатора С5 должна быть равна 2 мкФ, а резистор R6 иметь сопротивление 39 кОм. Подбирать точные значения сопротивлений резисторов R1-R4 и емкостей конденсаторов С1-С4 нет необходимости. Отклонения компенсируются при калибровке прибора. Для этого на вход поочередно подаются от генератора сигналы частотой 100, 1000 Гц, 10 и 100 кГц, а переменными резисторами R2-R5 стрелка прибора на каждом диапазоне устанавливается на крайнее деление шкалы.

В схеме можно применить микросхему К155АГ1 и диоды КД503А.

6.3. Частотомер с линейной шкалой [26]

Этот частотомер рассчитан на измерение частоты в четырех диапазонах: 0—100 Гц, 0–1 кГц, 0-10 кГц, 0-100 кГц по одной равномерной шкале. Минимальный уровень входного сигнала, при котором сохраняется работоспособность прибора, составляет 400 мВ. Принципиальная схема частотомера приведена на рис. 32.

Рис 32 Принципиальная схема частотомера с линейной шкалой Частотомер снабжен - фото 31

Рис. 32. Принципиальная схема частотомера с линейной шкалой

Частотомер снабжен двумя входными клеммами: «Вход 1» предназначен для сигнала низкого уровня, а «Вход 2» — для сигнала высокого уровня. Входной сигнал поступает на вход двухкаскадного усилителя, собранного на транзисторах Т1 и Т2, включенных по схеме с общим эмиттером. Благодаря достаточно большому усилению сигнала в первом каскаде, второй каскад работает в ключевом режиме. Когда он заперт, происходит заряд одного из конденсаторов С6-С9 в зависимости от включенного переключателем В1 диапазона. Ток заряда протекает через микроамперметр, резистор R12, диод Д2, включенный конденсатор и резистор R8. Когда транзистор Т2 отпирается, происходит разряд заряженного конденсатора через диод Д1 и открытый транзистор. Далее цикл повторяется. Как видно, ток заряда в каждом цикле благодаря ключевому режиму транзистора Т2 не зависит от параметров входного сигнала, а определяется лишь емкостью включенного конденсатора и резисторами цепи заряда, сопротивления которых фиксированы и неизменны. Поэтому суммарный ток микроамперметра определяется произведением тока заряда одного цикла на число циклов в секунду (частоту). Таким образом, отклонение стрелки прямо пропорционально частоте сигнала.

Читать дальше
Тёмная тема
Сбросить

Интервал:

Закладка:

Сделать

Похожие книги на «В помощь радиолюбителю. Выпуск 20»

Представляем Вашему вниманию похожие книги на «В помощь радиолюбителю. Выпуск 20» списком для выбора. Мы отобрали схожую по названию и смыслу литературу в надежде предоставить читателям больше вариантов отыскать новые, интересные, ещё непрочитанные произведения.


Отзывы о книге «В помощь радиолюбителю. Выпуск 20»

Обсуждение, отзывы о книге «В помощь радиолюбителю. Выпуск 20» и просто собственные мнения читателей. Оставьте ваши комментарии, напишите, что Вы думаете о произведении, его смысле или главных героях. Укажите что конкретно понравилось, а что нет, и почему Вы так считаете.

x