Вильямс Никитин - В помощь радиолюбителю. Выпуск 7

Здесь есть возможность читать онлайн «Вильямс Никитин - В помощь радиолюбителю. Выпуск 7» весь текст электронной книги совершенно бесплатно (целиком полную версию без сокращений). В некоторых случаях можно слушать аудио, скачать через торрент в формате fb2 и присутствует краткое содержание. Город: Москва, Год выпуска: 2006, ISBN: 2006, Издательство: НТ Пресс, Жанр: sci_radio, на русском языке. Описание произведения, (предисловие) а так же отзывы посетителей доступны на портале библиотеки ЛибКат.

В помощь радиолюбителю. Выпуск 7: краткое содержание, описание и аннотация

Предлагаем к чтению аннотацию, описание, краткое содержание или предисловие (зависит от того, что написал сам автор книги «В помощь радиолюбителю. Выпуск 7»). Если вы не нашли необходимую информацию о книге — напишите в комментариях, мы постараемся отыскать её.

В данном выпуске приведены краткие описания и принципиальные схемы конструкций, ранее опубликованных в радиолюбительской литературе, которых вполне достаточно для сборки и налаживания каждой схемы. Учтены интересы начинающих радиолюбителей самого разного возраста.
Для широкого круга читателей.

В помощь радиолюбителю. Выпуск 7 — читать онлайн бесплатно полную книгу (весь текст) целиком

Ниже представлен текст книги, разбитый по страницам. Система сохранения места последней прочитанной страницы, позволяет с удобством читать онлайн бесплатно книгу «В помощь радиолюбителю. Выпуск 7», без необходимости каждый раз заново искать на чём Вы остановились. Поставьте закладку, и сможете в любой момент перейти на страницу, на которой закончили чтение.

Тёмная тема
Сбросить

Интервал:

Закладка:

Сделать

Эффективное напряжение, приложенное к резисторам R4-R6, составляет 210 В. На них рассеивается всего 1,34 Вт. Вместо двухваттных резисторов достаточно установить полуваттные или один двухваттный сопротивлением 33 кОм.

Глава 8

ЭЛЕКТРОННЫЕ ИГРЫ

8.1. «Кто быстрее» — на двух транзисторах

Сальников Е. [30]

В этой игре в распоряжении каждого из двух играющих имеется кнопка. По команде судьи играющие нажимают и удерживают нажатыми свои кнопки. Выигрывает тот, чья лампочка загорится. Принципиальная схема игры представлена на рис. 44.

Рис 44 Принципиальная схема игры Кто быстрее При обеих нажатых кнопках - фото 43

Рис. 44. Принципиальная схема игры « Кто быстрее»

При обеих нажатых кнопках схема представляет собой простейший триггер, который имеет только одно устойчивое состояние: либо открыт транзистор VT1, тогда VT2 должен быть заперт, либо открыт VT2, тогда заперт VT1. В каком состоянии окажется триггер после нажатия обеих кнопок, определяется тем, какая из них нажата первой. Так, при нажатии кнопки SB1 открывается транзистор VT1, поскольку от источника питания GB1 через лампу HL2, резистор R2 и замкнутую кнопку SB1 начинает течь ток базы, достаточный для отпирания транзистора. В результате отпирания транзистора VT1 загорается лампа HL1. Лампа HL2 не горит, так как ток базы транзистора недостаточен.

Общеизвестно, что не рекомендуется использовать транзисторы с отключенными от схемы базами. Поэтому в схеме между базой и эмиттером каждого транзистора нужно включить резистор сопротивлением 2–3 кОм.

Примечание. В статье рекомендуется напряжение батареи питания около 3 В (два элемента АА или ААА) и лампочки, рассчитанные на напряжение 2,5 В и ток 68 мА (тип МН2,5–0,068). Поэтому рекомендация применения транзисторов КТ315 с любым буквенным индексом не верна: транзисторы КТ315Ж и КТ315И непригодны.

8.2. Электронная игра «Чет-нечет»

Прокопцев Ю. [31]

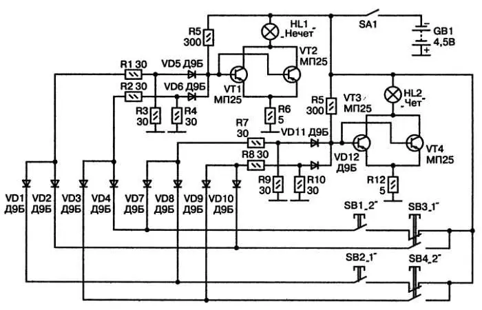
Предлагаемая электронная игра, принципиальная схема которой приведена на рис. 45, рассчитана на двух играющих и предусматривает выигрыш одного партнера, если сумма чисел, выбранных обоими игроками, оказывается четной, и выигрыш другого — если нечетной. Каждый играющий располагает двумя кнопками: один — SB1 «2» и SB3 «1», другой — SB2 «1» и SB4 «2».

Рис 45 Принципиальная схема игры Четнечет Распознавание четности или - фото 44

Рис. 45. Принципиальная схема игры « Чет-нечет»

Распознавание четности или нечетности суммы и соответствующее отображение лампочками накаливания осуществляется диодным коммутатором VD1-VD10 и транзисторами VT1, VT2 в блоке «Нечет» и VT3, VT4 в блоке «Чет».

При отжатых кнопках управления потенциалы баз транзисторов благодаря делителям R5 и R3, R4 в блоке «Нечет», а также R11 и R9, R10 в блоке «Чет» составляют -0,2 В. При этом транзисторы заперты, и лампочки не горят. Если нажать кнопку SB1, соответствующую цифре 2, ток от источника питания потечет через диод VD4 и резисторы делителя R2, R4, которые делят напряжение пополам. На аноде диода VD6 окажется отрицательное напряжение — 2,35 В, он запрется, и потенциал баз VT1,VT2 станет равным -0,4 В. Чтобы отпереть транзисторы, этого также недостаточно. Нужно дополнительно запереть диод VD5 с помощью второй кнопки. Так, нажатие кнопки SB2, соответствующей цифре 1, приводит через диод VD1 и делитель из резисторов R1, R3 к запиранию диода VD5. Тогда шунтирующее действие эмиттерных переходов резисторами R3, R4 прекращается, ток каждой базы VT1, VT2 становится равным 7,5 мА, транзисторы отпираются, и зажигается лампа HL1 «Нечет». Действительно, сумма 2 + 1 = 3. Если же нажаты кнопки SB1 и SB4, запираются диоды VD11 и VD12, что приводит к отпиранию транзисторов VT3, VT4 и зажиганию лампы HL2 «Чет». Действительно, сумма 2 + 2 = 4.

Автор рекомендовал использовать лампочки накаливания, рассчитанные на напряжение 4,5 или 3,5 В при токе не более 200 мА. В этом случае подойдут лампочки типа МНЗ,5–0,14, рассчитанные на ток 140 мА.

При отсутствии транзисторов МП25 можно установить транзисторы КТ3108А. Их максимальный ток коллектора составляет 200 мА. Еще лучше установить коммутаторные лампочки КМ6-60, рассчитанные на номинальное напряжение 6 В и ток 60 мА. При напряжении питания 4,5 В ток такой лампочки окажется равным 45 мА В этом случае в каждом блоке достаточно использовать один транзистор вместо двух.

Чтобы предотвратить последствия нажатия игроками сразу двух предоставленных им кнопок, SB3 и SB4 выполнены двухполюсными. При их нажатии размыкаются цепи кнопок SB1 и SB2.

Читать дальше
Тёмная тема
Сбросить

Интервал:

Закладка:

Сделать

Похожие книги на «В помощь радиолюбителю. Выпуск 7»

Представляем Вашему вниманию похожие книги на «В помощь радиолюбителю. Выпуск 7» списком для выбора. Мы отобрали схожую по названию и смыслу литературу в надежде предоставить читателям больше вариантов отыскать новые, интересные, ещё непрочитанные произведения.


Отзывы о книге «В помощь радиолюбителю. Выпуск 7»

Обсуждение, отзывы о книге «В помощь радиолюбителю. Выпуск 7» и просто собственные мнения читателей. Оставьте ваши комментарии, напишите, что Вы думаете о произведении, его смысле или главных героях. Укажите что конкретно понравилось, а что нет, и почему Вы так считаете.

x