Андрей Кашкаров - Современные осветительные приборы - выбор, подключение, безопасность

Здесь есть возможность читать онлайн «Андрей Кашкаров - Современные осветительные приборы - выбор, подключение, безопасность» — ознакомительный отрывок электронной книги совершенно бесплатно, а после прочтения отрывка купить полную версию. В некоторых случаях можно слушать аудио, скачать через торрент в формате fb2 и присутствует краткое содержание. Город: Москва, Год выпуска: 2017, ISBN: 2017, Издательство: ДМК Пресс, Жанр: Хобби и ремесла, Технические науки, Технические науки, на русском языке. Описание произведения, (предисловие) а так же отзывы посетителей доступны на портале библиотеки ЛибКат.

Современные осветительные приборы: выбор, подключение, безопасность: краткое содержание, описание и аннотация

Предлагаем к чтению аннотацию, описание, краткое содержание или предисловие (зависит от того, что написал сам автор книги «Современные осветительные приборы: выбор, подключение, безопасность»). Если вы не нашли необходимую информацию о книге — напишите в комментариях, мы постараемся отыскать её.

В книге рассмотрены особенности эксплуатации популярных типов осветительных приборов на основе мощных светодиодов, которые обладают заметными преимуществами перед традиционными энергосберегающими лампами и лампами накаливания. Светодиоды – мощные твердотельные источники света, однако они также имеют недостатки, о которых дискутируют специалисты. На основе приведенных в книге данных у читателя есть возможность сэкономить и осознанно выбрать осветительные приборы – для своего быта, исходя из максимальной безопасности для здоровья.
Приводится много интересных примеров, полезных советов, важных предупреждений. Книга является «личным консультантом» для каждого рачительного хозяина; знания, добытые из нее, очень быстро окупятся посредством обоснованной экономии на затратах электроэнергии, без потери качества освещения.
Для широкого круга читателей.

Современные осветительные приборы: выбор, подключение, безопасность — читать онлайн ознакомительный отрывок

Ниже представлен текст книги, разбитый по страницам. Система сохранения места последней прочитанной страницы, позволяет с удобством читать онлайн бесплатно книгу «Современные осветительные приборы: выбор, подключение, безопасность», без необходимости каждый раз заново искать на чём Вы остановились. Поставьте закладку, и сможете в любой момент перейти на страницу, на которой закончили чтение.

Тёмная тема
Сбросить

Интервал:

Закладка:

Сделать
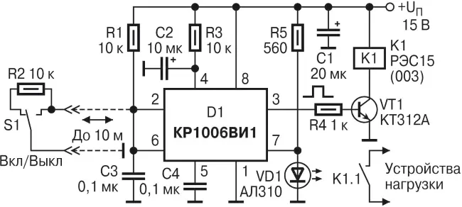
Рис 410 Электрическая схема устройства Отличительная особенность схемы в - фото 55

Рис. 4.10. Электрическая схема устройства

Отличительная особенность схемы в дистанционном управлении триггером – необходимы только два провода (их общая длина может достигать нескольких метров) – «общий» и идущий к объединенным входам (выводы 2 (триггерный) и 6 (пороговый) микросхемы D1).

Относительно большая длина проводов допускается за счет хорошей помехоустойчивости данной микросхемы.

Половина напряжения источника питания через резистор R1 подается в точку соединения триггерного и порогового входов. При таком оригинальном схемном решении КР1006ВИ1 работает как ячейка памяти с запоминанием состояния.

Цепочка из элементов R3C2, соединенная с входом сброса многофункционального таймера D1 (вывод 4), устанавливает схему в состояние выключения и готовности к приему управляющих сигналов при первоначальной подаче питания.

Особенность приведенной схемы такова, что если на входе управления (выводы 2 и 6) установится низкий уровень напряжения, то на выходе (вывод 3 D1) будет высокий уровень, и наоборот; высокий уровень на входе приведет к низкому уровню напряжения на выходе. Для дистанционного управления триггером устанавливается резистор R2, таким образом дополняя схему делителя напряжения.

При замыкании контактов кнопки S1 «вкл» триггер перебрасывается в другое устойчивое состояние – включает нагрузку. При разомкнутых контактах S1 нагрузка отключается.

Индикатор на светодиоде VD1 горит, когда разгрузочный выход (вывод 7) D1 пропускает сигнал, при этом на выводе 3 устанавливается высокий уровень напряжения, ключевой транзистор VT1 (включенный по схеме усилителя тока) открывается и включает реле.

Реле может коммутировать низковольтную нагрузку. Однако если вместо РЭС15 применить другое реле, рассчитанное на коммутацию нагрузки в электрической сети 220 В переменного тока, к примеру Pasi или Omron на 12 В, то можно управлять лампами люстры или дистанционным включением/отключением других бытовых приборов с током потребления до 3 А.

Напряжение питания устройства, собранного по приведенной схеме, при котором оно работает, устойчиво – 11… 15 В.

4.6. Бытовой плафон освещения на светодиодной линейке

В разделе, предназначенном для разработчиков систем освещения и специалистов ЖКХ (жилищно-коммунального хозяйства), а также всех заинтересованных лиц, желающих достичь простым и малозатратным методом реальной экономии электроэнергии (энергосбережения), рассматривается вариант практической замены ламп освещения не просто на энергосберегающие или светодиодные лампы, а на линейки светодиодов – с сохранением всех атрибутов корпуса бывшего светильника.

Итак, обычный светильник с «плоским» плафоном (рис. 4.11) для внутреннего освещения можно преобразить и облегчить довольно несложным способом.

Рис 411 Внешний вид бытового светильника для внутреннего освещения Для - фото 56

Рис. 4.11. Внешний вид бытового светильника для внутреннего освещения

Для этого потребуются линейка светодиодов и адаптер напряжения, преобразующий входное напряжение осветительной сети 220 В с частотой 50 Гц в постоянное напряжение 48 В с выходным током 120 мА. Для экономии времени и финансовых средств в качестве преобразователя я применил готовый адаптер (см. рис. 4.12), предназначенный для работы в сети переменного тока.

Рис 412 Адаптер преобразователь напряжения с небольшим выходным током и - фото 57

Рис. 4.12. Адаптер – преобразователь напряжения с небольшим выходным током и выходным напряжением 48 В

Для того чтобы заменить «штатный осветительный прибор – лампу накаливания (энергосберегающую или светодиодную лампу) с цоколем Е27, потребуется небольшая доработка.

Плафон снимают и демонтируют «штатный» патрон, отвинчивая его от корпуса светильника. Затем в форме двух полусфер с помощью саморезов или моментального клея к корпусу светильника – подложке фиксируют 2 светодиодные ленты, каждая из которых содержит по 16 светодиодов, включенных в последовательную электрическую цепь (см. рис. 4.13). Количество светодиодов рассчитано таким образом, чтобы ток в цепи был допустимым для эксплуатационных характеристик светодиодов.

Рис 413 Вид на установленные линейки светодиодов внутри корпуса светильника - фото 58

Рис. 4.13. Вид на установленные линейки светодиодов внутри корпуса светильника

Читать дальше
Тёмная тема
Сбросить

Интервал:

Закладка:

Сделать

Похожие книги на «Современные осветительные приборы: выбор, подключение, безопасность»

Представляем Вашему вниманию похожие книги на «Современные осветительные приборы: выбор, подключение, безопасность» списком для выбора. Мы отобрали схожую по названию и смыслу литературу в надежде предоставить читателям больше вариантов отыскать новые, интересные, ещё непрочитанные произведения.


Отзывы о книге «Современные осветительные приборы: выбор, подключение, безопасность»

Обсуждение, отзывы о книге «Современные осветительные приборы: выбор, подключение, безопасность» и просто собственные мнения читателей. Оставьте ваши комментарии, напишите, что Вы думаете о произведении, его смысле или главных героях. Укажите что конкретно понравилось, а что нет, и почему Вы так считаете.

x