А. Лебедев - Анатомия стиральных машин

Здесь есть возможность читать онлайн «А. Лебедев - Анатомия стиральных машин» — ознакомительный отрывок электронной книги совершенно бесплатно, а после прочтения отрывка купить полную версию. В некоторых случаях можно слушать аудио, скачать через торрент в формате fb2 и присутствует краткое содержание. Город: Москва, Год выпуска: 2008, ISBN: 2008, Издательство: СОЛОН-ПРЕСС, Жанр: Справочники, на русском языке. Описание произведения, (предисловие) а так же отзывы посетителей доступны на портале библиотеки ЛибКат.

Анатомия стиральных машин: краткое содержание, описание и аннотация

Предлагаем к чтению аннотацию, описание, краткое содержание или предисловие (зависит от того, что написал сам автор книги «Анатомия стиральных машин»). Если вы не нашли необходимую информацию о книге — напишите в комментариях, мы постараемся отыскать её.

Настоящая книга содержит базовые сведения об устройстве бытовых автоматических стиральных машин барабанного типа. Особенность книги — это описание работы практически каждого узла стиральной машины. В книге также приводятся минимально необходимые сведения по поиску и устранению простых (типовых) неисправностей. Впервые приведены материалы по капитальному ремонту: замене подшипников и уплотнений. Показана технология замены щеток в коллекторных моторах. В приложении к книге есть некоторые схемы как современных стиральных машин, так и выпускавшихся ранее. По этим схемам можно проследить эволюцию развития схемотехники стиральных машин.
Книга предназначена для широкого круга читателей, интересующихся устройством бытовых автоматических стиральных машин. Также книга будет полезна в качестве учебного пособия для учащихся учебных заведений соответствующего профиля и для начинающих мастеров.

Анатомия стиральных машин — читать онлайн ознакомительный отрывок

Ниже представлен текст книги, разбитый по страницам. Система сохранения места последней прочитанной страницы, позволяет с удобством читать онлайн бесплатно книгу «Анатомия стиральных машин», без необходимости каждый раз заново искать на чём Вы остановились. Поставьте закладку, и сможете в любой момент перейти на страницу, на которой закончили чтение.

Тёмная тема
Сбросить

Интервал:

Закладка:

Сделать

Рассмотрим еще одну интересную конструкцию. Это нагреватель проточного типа. Внешний вид показан на рис. 8.4, а внутреннее устройство — на рис. 8.5.

Рис 84 Нагревательный элемент проточного типа Рис 85 Устройство - фото 89

Рис. 8.4. Нагревательный элемент проточного типа

Рис 85 Устройство нагревательного элемента проточного типа В этой - фото 90

Рис. 8.5. Устройство нагревательного элемента проточного типа

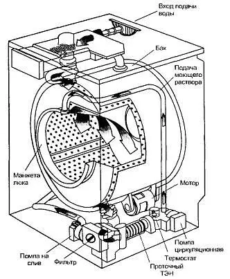
В этой конструкции тоже используется трубчатый нагреватель. Он намотан в виде спирали на металлическую трубку, через которую прокачивается вода. Вся конструкция заключена в корпус-рубашку, на котором расположен защитный термостат. На рис. 8.6 представлена схема СМА с проточным ТЭНом.

Рис 86 Схема СМА с нагревательным элементом проточного типа Для нормальной - фото 91

Рис. 8.6. Схема СМА с нагревательным элементом проточного типа

Для нормальной работы СМА необходимо, чтобы вода (или моющий раствор) непрерывно, до необходимого нагрева, прокачивались через ТЭН.

Для этой цели служит циркуляционный насос — точно такой же, как и сливной насос-помпа. Циркуляционный насос прокачивает моющий раствор через проточный нагреватель и заодно подает его в верхнюю часть бака для дополнительного орошения белья.

В порядке еще одного экскурса в историю вспомним, что в 70-х годах прошлого столетия в некоторых моделях применялся нагревательный элемент необычного типа. Это был нагреватель индукционного типа, представляющий собой трансформатор с первичной обмоткой и коротко-замкнутым вторичным витком из алюминия.

Принцип работы основан на эффекте прогрева металла вихревыми токами электромагнитного поля. Индукционные нагреватели имеют более развитую поверхность теплообмена по сравнению с трубчатыми, поэтому перепад температуры между теплоносителем и поверхностью теплообменника индукционного нагревателя не превышает 20–30 °C. Это полезное свойство многократно замедляет процесс отложения накипи, и к тому же в подобных нагревателях нет элементов, подверженных износу. Их срок службы определяется только сроком службы электромагнитной катушки. И еще одно полезное свойство следует упомянуть: по мере прогрева вторичного витка (именно от его поверхности и передавалось тепло в моющий раствор), потребляемая мощность снижалась примерно на 30 %, в то время как у обычных ТЭНов мощность потребления постоянна. К сожалению, в настоящее время индукционные нагреватели практически в бытовых СМА не применяются. А теперь мы посмотрим, каким образом осуществляется крепление ТЭНов в баках СМА. Во всех СМА — в баках или в крышках баков — делаются отверстия стандартной формы. Основание и резиновое уплотнение всех ТЭНов соответствуют этим отверстиям.

Взглянем на рис. 8.7,а и б, на нем показано в двух видах основание ТЭНа — без термистора и с термистором.

Как видим крепление ТЭНа состоит из наружной и внутренней скоб Между скобами - фото 92 Как видим крепление ТЭНа состоит из наружной и внутренней скоб Между скобами - фото 93

Как видим, крепление ТЭНа состоит из наружной и внутренней скоб. Между скобами резиновая прокладка — уплотнитель. Для прочности наружная скоба имеет отбортовку (загнутую внутрь кромку), а внутренняя скоба имеет ребра жесткости, также отогнутые. К внутренней скобе приклепан винт, который проходит насквозь через резиновое уплотнение и наружную скобу. При установке ТЭНа в посадочное отверстие бака резиновая прокладка помещается в середине посадочного места. Затем, завинчивая гайку, мы сжимаем эту прокладку между двумя скобами, и прокладка заполняет все посадочное отверстие, предотвращая утечку воды из бака.

На рис. 8.7,в и г мы показали, как закрепляется ТЭН в посадочном отверстии пластикового бака,

Рис 87 Система закрепления нагревательных элементов в посадочном отверстии - фото 94 Рис 87 Система закрепления нагревательных элементов в посадочном отверстии - фото 95

Рис. 8.7. Система закрепления нагревательных элементов в посадочном отверстии пластиковых баков

а на рис. 8.8 видно, как удерживается ТЭН в посадочном отверстии металлических баков после затягивания гайки.

Рис 88 Закрепление нагревательного элемента в металлическом баке С другого - фото 96

Рис. 8.8. Закрепление нагревательного элемента в металлическом баке

Читать дальше
Тёмная тема
Сбросить

Интервал:

Закладка:

Сделать

Похожие книги на «Анатомия стиральных машин»

Представляем Вашему вниманию похожие книги на «Анатомия стиральных машин» списком для выбора. Мы отобрали схожую по названию и смыслу литературу в надежде предоставить читателям больше вариантов отыскать новые, интересные, ещё непрочитанные произведения.


Отзывы о книге «Анатомия стиральных машин»

Обсуждение, отзывы о книге «Анатомия стиральных машин» и просто собственные мнения читателей. Оставьте ваши комментарии, напишите, что Вы думаете о произведении, его смысле или главных героях. Укажите что конкретно понравилось, а что нет, и почему Вы так считаете.

x