Вильямс Никитин - В помощь радиолюбителю. Выпуск 2

Здесь есть возможность читать онлайн «Вильямс Никитин - В помощь радиолюбителю. Выпуск 2» весь текст электронной книги совершенно бесплатно (целиком полную версию без сокращений). В некоторых случаях можно слушать аудио, скачать через торрент в формате fb2 и присутствует краткое содержание. Город: Москва, Год выпуска: 2007, ISBN: 2007, Издательство: НТ Пресс, Жанр: sci_radio, на русском языке. Описание произведения, (предисловие) а так же отзывы посетителей доступны на портале библиотеки ЛибКат.

В помощь радиолюбителю. Выпуск 2: краткое содержание, описание и аннотация

Предлагаем к чтению аннотацию, описание, краткое содержание или предисловие (зависит от того, что написал сам автор книги «В помощь радиолюбителю. Выпуск 2»). Если вы не нашли необходимую информацию о книге — напишите в комментариях, мы постараемся отыскать её.

Приведены краткие описания и принципиальные схемы конструкций, ранее опубликованных в радиолюбительской литературе, которых вполне достаточно для сборки и налаживания каждой схемы. Учтены интересы начинающих радиолюбителей самого разного возраста.
Для широкого круга читателей.

В помощь радиолюбителю. Выпуск 2 — читать онлайн бесплатно полную книгу (весь текст) целиком

Ниже представлен текст книги, разбитый по страницам. Система сохранения места последней прочитанной страницы, позволяет с удобством читать онлайн бесплатно книгу «В помощь радиолюбителю. Выпуск 2», без необходимости каждый раз заново искать на чём Вы остановились. Поставьте закладку, и сможете в любой момент перейти на страницу, на которой закончили чтение.

Тёмная тема
Сбросить

Интервал:

Закладка:

Сделать

Глава 4

ИСПОЛЬЗОВАНИЕ ЛАМП ДНЕВНОГО СВЕТА

4.1. Питание лампы дневного света постоянным током

Коломейцев К. [10]

Используемые способы питания ламп дневного света постоянным током имеют некоторые недостатки. Так, для бесстартерного холодного зажигания требуется высокое напряжение порядка 700 В, а последовательное включение лампы накаливания, рассчитанной на 220 В, приводит к снижению экономичности.

Предлагается схема (рис. 11) с использованием мостового выпрямителя VD1 и лампы накаливания EL1, рассчитанной на номинальное напряжение 127 В, которая включена последовательно с лампой дневного света.

Рис 11 Принципиальная схема светильника В этой схеме диодный мост с - фото 11

Рис. 11. Принципиальная схема светильника

В этой схеме диодный мост с конденсаторами С1 и С2 образуют схему удвоения напряжения. При включении выключателя SA1 первыми двумя полупериодами сетевого напряжения заряжаются конденсаторы, и к лампе EL2 прикладывается полное удвоенное напряжение, так как сопротивление холодной лампы накаливания достаточно мало. В результате лампа дневного света зажигается, а схема удвоения напряжения начинает работать как двухполупериодный выпрямитель с активной нагрузкой. Лампа накаливания гасит избыток напряжения и горит вполнакала.

4.2. ЛДС питается от батареи

Дмитриев А. [11]

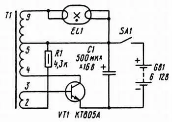
Наличие унифицированного выходного строчного трансформатора ТВС — 110ЛА от телевизионного приемника черно-белого изображения позволяет собрать несложный преобразователь напряжения для питания лампы дневного света от батареи, состоящей из 4–6 элементов 373 (рис. 12).

Рис 12 Схема питания ЛДС от батареи Схема однотактного преобразователя - фото 12

Рис. 12. Схема питания ЛДС от батареи

Схема однотактного преобразователя содержит автогенератор с индуктивной связью. Напряжение положительной обратной связи поступает на базу транзистора с обмотки 2–3 трансформатора. В устройстве используется всего один транзистор, один резистор, один электролитический конденсатор и строчный трансформатор, который подвергается несложной переделке. Она состоит в удалении высоковольтной обмотки и панельки высоковольтного кенотрона.

4.3. Лампы дневного света горят долго

Банников В. [12]

Традиционная схема питания ламп дневного света (ЛДС) от сети содержит балластный дроссель, который ограничивает переменный ток через лампу во время ее горения, и стартер — неоновую лампу с размыкающимися от нагрева контактами. Эти контакты выполняют две функции: разрывают цепь нитей накала ламп, который служит для облегчения ионизации газа, и создают ЭДС самоиндукции дросселя, которой и поджигается лампа. В авторской статье приводятся технические характеристики существующих ЛДС и соответствующих им балластных дросселей, а также несколько схем включения ламп, свободных от некоторых недостатков традиционной схемы. Одна из таких схем показана на рис. 13.

Рис 13 Схема светильника с умножением напряжения Схема представляет собой - фото 13

Рис 13. Схема светильника с умножением напряжения

Схема представляет собой выпрямитель с умножением напряжения, состоящий из двух удвоителей: C1, VD1, VD3, СЗ и С2. VD2, VD4, С4. Суммарное выпрямленное напряжение на конденсаторах С3, С4 достигает 1100 В, и этого достаточно для ионизации паров ртути и зажигания лампы, после чего напряжение на этих конденсаторах падает примерно до 120 В, а конденсаторы С1 и С2 выполняют функцию балластных. Резистор R1 служит для ограничения тока лампы, падение напряжения на нем составляет примерно 25 В. Вместо него целесообразно использовать лампу накаливания, рассчитанную на напряжение 127 В, которая будет еле светиться и никогда не перегорит. Параметры элементов схемы для ЛДС разного типа приведены в табл. 1.

Здесь в качестве конденсаторов С1 и С2 должны быть взяты бумажные или - фото 14

Здесь в качестве конденсаторов С1 и С2 должны быть взяты бумажные или металлобумажные типа МБГЧ с рабочим напряжением не менее 600 В, а С3 и С4 — слюдяные на 750 В. Лампы накаливания на напряжение 127 В, показанные в таблице в виде суммы, соединяются между собой параллельно.

Предлагаемое устройство не имеет недостатков традиционной схемы: гудение дросселя во время работы; наличие часто выходящих из строя стартеров; мелькания, связанные с прерывистым характером вспышек. Главное же — перегорание нитей накала. Устройство дает возможность использования ЛДС с перегоревшими нитями накала.

Читать дальше
Тёмная тема
Сбросить

Интервал:

Закладка:

Сделать

Похожие книги на «В помощь радиолюбителю. Выпуск 2»

Представляем Вашему вниманию похожие книги на «В помощь радиолюбителю. Выпуск 2» списком для выбора. Мы отобрали схожую по названию и смыслу литературу в надежде предоставить читателям больше вариантов отыскать новые, интересные, ещё непрочитанные произведения.


Отзывы о книге «В помощь радиолюбителю. Выпуск 2»

Обсуждение, отзывы о книге «В помощь радиолюбителю. Выпуск 2» и просто собственные мнения читателей. Оставьте ваши комментарии, напишите, что Вы думаете о произведении, его смысле или главных героях. Укажите что конкретно понравилось, а что нет, и почему Вы так считаете.

x