Ден Томел - Поиск неисправностей в электронике

Здесь есть возможность читать онлайн «Ден Томел - Поиск неисправностей в электронике» весь текст электронной книги совершенно бесплатно (целиком полную версию без сокращений). В некоторых случаях можно слушать аудио, скачать через торрент в формате fb2 и присутствует краткое содержание. Город: Москва, Год выпуска: 2007, ISBN: 2007, Издательство: NT Press, Жанр: sci_radio, Технические науки, на русском языке. Описание произведения, (предисловие) а так же отзывы посетителей доступны на портале библиотеки ЛибКат.

Поиск неисправностей в электронике: краткое содержание, описание и аннотация

Предлагаем к чтению аннотацию, описание, краткое содержание или предисловие (зависит от того, что написал сам автор книги «Поиск неисправностей в электронике»). Если вы не нашли необходимую информацию о книге — напишите в комментариях, мы постараемся отыскать её.

В данной книге автор касается теоретических и практических основ диагностики и ремонта электротехнической и электронной аппаратуры. Приведены описания технических средств, предназначенных для этих целей. Исследованы методы поиска неисправностей в промышленном, бытовом, медицинском оборудовании. Рассмотрены типичные неполадки радио-, теле-, микропроцессорных и других систем.
Для инженеров, техников, обслуживающего персонала и радиолюбителей любого уровня.

Поиск неисправностей в электронике — читать онлайн бесплатно полную книгу (весь текст) целиком

Ниже представлен текст книги, разбитый по страницам. Система сохранения места последней прочитанной страницы, позволяет с удобством читать онлайн бесплатно книгу «Поиск неисправностей в электронике», без необходимости каждый раз заново искать на чём Вы остановились. Поставьте закладку, и сможете в любой момент перейти на страницу, на которой закончили чтение.

Тёмная тема
Сбросить

Интервал:

Закладка:

Сделать
Рис 89 Dзащелка Синхронные триггеры Триггеры представляют собой защелки - фото 233

Рис. 8.9. D-защелка

Синхронные триггеры

Триггеры представляют собой защелки, которые могут изменять выход только при изменении сигнала на тактовом входе с одного уровня на другой. Чтобы отличить синхронные триггеры от асинхронных защелок, этот вход называют входом синхронизации . Системные часы представляют собой генератор прямоугольных импульсов, который определяет точное время, когда должно измениться состояние триггера.

Синхронный D-триггер работает, как и D-защелка, но он передает сигнал с входа на выход только во время прохождения тактового синхроимпульса. Триггеры обычно имеют также и набор асинхронных входов, которые называются Preset(Установка) и Clear(Сброс). Они называются асинхронными входами, поскольку выход отвечает на сигналы на этих входах в любое время, когда они активируются, независимо от входа синхронизации (рис. 8.10).

Рис 810 Dтриггери его таблица истинности JKтриггер похож на асинхронный - фото 234

Рис. 8.10. D-триггери его таблица истинности

JK-триггер похож на асинхронный RS-триггер-защелку. Вход J можно рассматривать как вход Setс активным высоким уровнем, а вход К как вход Resetс активным высоким уровнем. Кружок на входе синхронизации JK-триггера 7476, показанного на рис. 8.11 означает, что этот прибор срабатывает по отрицательному фронту. Выходы изменяются, когда уровень синхроимпульса переходит с высокого на низкий.

Рис 811 JKтриггери его временные диаграммы Основное дополнение в - фото 235

Рис. 8.11. JK-триггери его временные диаграммы

Основное дополнение в JK-триггере заключается в том, что входы J и К могут активироваться одновременно. В этом режиме, называемым счетным, происходит переключение выхода при поступлении каждого синхроимпульса. Этот триггер также имеет асинхронные входы установки и сброса.

Счетчики

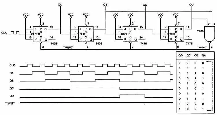
Режим переключения JK-триггера используется для построения счетных схем. Рассмотрим триггерную схему, показанную на рис. 8.12. Каждый выход Q используется для запуска входа синхронизации следующего триггера. На временной диаграмме обратите внимание на то, что каждый триггер переключается, когда предыдущий триггер изменяет состояние выхода с высокого на низкий.

Поскольку каждый триггер реагирует на изменение выхода предыдущего элемента, это соединение называется счетчиком со сквозным переносом.

Рис 812 Использование JKтриггерадля деления частоты синхроимпульсов - фото 236

Рис. 8.12. Использование JK-триггерадля деления частоты синхроимпульсов

Заметьте, что максимальное количество состояний зависит от числа триггеров. Имеет место следующее соотношение:

Максимальное количество состояний = 2 n , где n — количество триггеров.

Часто желательно изменить последовательность переключений, чтобы считать число состояний меньшее, чем максимальное. Наиболее распространенные счетчики работают в десятичной системе с 10 состояниями в каждом разряде. Построить подобный счетчик можно, как показано на рис. 8.13.

Рис 813 Четырехразрядный десятичный счетчик Триггер работает как и обычный - фото 237

Рис. 8.13. Четырехразрядный десятичный счетчик

Триггер работает, как и обычный двоичный счетчик, до тех пор, пока число синхроимпульсов не превысит 9. Когда на выходе появляется число 1010, дешифратор опознает его и запускает линию сброса сигналом низкого уровня, что сразу сбрасывает выходное число с 1010 в 0000.

Счетчики можно также покаскадно соединять друг с другом. Например, для того чтобы сосчитать число минут от 0 до 59, цифровые часы должны иметь 2 счетчика. Первый считает от 0 до 9 (имеет десять состояний), после чего он снова сбрасывается в 0, самый старший разряд дает отрицательный фронт для инкрементирования второго счетчика. Второй счетчик считает от 0 до 5 (шесть состояний). В результате получается счетчик, который считает от 0 до 59 (шестьдесят состояний), как показано на рис. 8.14.

Рис 814 Счетчик BCD который считает от 0 до 59 В некоторые счетчики можно - фото 238

Рис. 8.14. Счетчик BCD, который считает от 0 до 59

Читать дальше
Тёмная тема
Сбросить

Интервал:

Закладка:

Сделать

Похожие книги на «Поиск неисправностей в электронике»

Представляем Вашему вниманию похожие книги на «Поиск неисправностей в электронике» списком для выбора. Мы отобрали схожую по названию и смыслу литературу в надежде предоставить читателям больше вариантов отыскать новые, интересные, ещё непрочитанные произведения.


Отзывы о книге «Поиск неисправностей в электронике»

Обсуждение, отзывы о книге «Поиск неисправностей в электронике» и просто собственные мнения читателей. Оставьте ваши комментарии, напишите, что Вы думаете о произведении, его смысле или главных героях. Укажите что конкретно понравилось, а что нет, и почему Вы так считаете.

x