Журнал «Юный техник» - Юный техник, 2003 № 08

Здесь есть возможность читать онлайн «Журнал «Юный техник» - Юный техник, 2003 № 08» весь текст электронной книги совершенно бесплатно (целиком полную версию без сокращений). В некоторых случаях можно слушать аудио, скачать через торрент в формате fb2 и присутствует краткое содержание. Год выпуска: 2003, Жанр: Технические науки, periodic, на русском языке. Описание произведения, (предисловие) а так же отзывы посетителей доступны на портале библиотеки ЛибКат.

Юный техник, 2003 № 08: краткое содержание, описание и аннотация

Предлагаем к чтению аннотацию, описание, краткое содержание или предисловие (зависит от того, что написал сам автор книги «Юный техник, 2003 № 08»). Если вы не нашли необходимую информацию о книге — напишите в комментариях, мы постараемся отыскать её.

Популярный детский и юношеский журнал.

Юный техник, 2003 № 08 — читать онлайн бесплатно полную книгу (весь текст) целиком

Ниже представлен текст книги, разбитый по страницам. Система сохранения места последней прочитанной страницы, позволяет с удобством читать онлайн бесплатно книгу «Юный техник, 2003 № 08», без необходимости каждый раз заново искать на чём Вы остановились. Поставьте закладку, и сможете в любой момент перейти на страницу, на которой закончили чтение.

Тёмная тема
Сбросить

Интервал:

Закладка:

Сделать
Техническая характеристика Мощность двигателя 1765 лс Мощность генератора - фото 38

Техническая характеристика:

Мощность двигателя… 1765 л.с.

Мощность генератора… 1400 кВт

Максимальная скорость… 40 км/ч

Радиус поворота… 15 м

Масса… 155 т

Длина… 13,36 м

Ширина… 7,78 м

Высота… 6,52 м

Грузоподъемность… 200 т

ПОЛИГОН

По комарам — из пушки

Дистанционно управляемое оружие впервые появилось на военных судах в начале XX века. Артиллерия главного калибра размещалась тогда в закрытых бронированных башнях. Вместе с орудиями они весили сотни тонн, а пороховой заряд к каждому выстрелу вместе со снарядом достигал веса в тысячи килограммов. Поэтому поворот и зарядку таких орудий пришлось полностью механизировать.

Командир корабля находясь высоко на своем мостике видел картину боя на - фото 39

Командир корабля, находясь высоко на своем мостике, видел картину боя на расстоянии до 20 км. Он выбирал наиболее важные цели и порою сосредотачивал на них огонь всех орудий. Первоначально он отдавал приказ, на какой угол поднять ствол и как развернуть орудие, при помощи стрелочного телеграфа. Артиллеристы же включали моторы и наводили стволы пушек. Впоследствии была внедрена электрическая система дистанционного управления непосредственно с капитанского мостика, и участие наводчика стало не нужно.

Сегодня дистанционно управляемое оружие ставят на вертолетах, автомобилях и танках. Стали известны даже наводимые дистанционно снайперские винтовки.

Наводить лазерное оружие также лучше на расстоянии — при помощи электронных следящих систем. Модель такого устройства мы вам и предлагаем.

Роль лазерной пушки в нем выполняет обычная лазерная указка. Наводить ее на цель будет управляемый вами электропривод. В состав его входят электродвигатель M1, источник питания GB1, управляющий переключатель SB1 (рис. 1).

Электромотор вращается слишком быстро поэтому без понижающего редуктора не - фото 40

Электромотор вращается слишком быстро, поэтому без понижающего редуктора не обойтись. Высокий коэффициент редукции и простое устройство имеют червячные редукторы, нередко применяемые в электрифицированных игрушках. Хорошо бы подобрать такой готовый редуктор от игрушек, собранный вместе с моторчиком в одном блоке. Чтобы изменять поворот орудия с правого на левое, необходимо заставить мотор вращаться в обратную сторону. Для этого достаточно изменить полярность питания. В простейшем варианте (рис. 1а) задача решается переключением подвижных контактов двухполюсного переключателя SB1 из одного крайнего (нефиксируемого) положения в другое. В этом варианте к выводам двигателя M1 подводятся от источника GB1 знакопеременные напряжения. В варианте по рисунку 1б задача решается с помощью двух батарей GB1, GB2, у каждой из которых выводы постоянно соединены с одним из выводов двигателя, а другие посредством более простого коммутатора SB1 поочередно подключаются ко второму выводу M1.

Сразу же заметим, что управление с помощью переключателей типа микротумблера годится только для микромоторчиков от электрифицированных игрушек; для более мощных электродвигателей потребуется использовать сравнительно мощные электромагнитные реле K1, К2 (рис. 2).

Поскольку обмоткам таких реле безразлична полярность питания при - фото 41

Поскольку обмоткам таких реле безразлична полярность питания, при двухбатарейном управлении двигателем Ml питать обмотки реле можно от любой из двух батарей. Стоит иметь в виду, что при низком напряжении питания (4,5 В) указанные реле могут потреблять ток, сопоставимый с током двигателя, изза чего нагрузка на источники будет неодинаковой. Поэтому для более равномерного расхода емкости батарей следует переводить питание реле с одной батареи на другую.

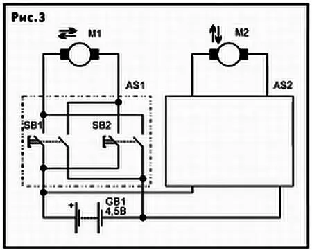
Возвращаясь в наш «игрушечный» масштаб мощностей, обратим внимание также на то, что переключатели-тумблеры с фиксированным нейтральным положением контакта, изображенные на рисунке 1, сравнительно дефицитны — их придется заменить двухцепевыми кнопками (например, типа КМ2-1), как показано на рисунке 3.

Здесь кнопочный переключатель SB1 входящий в коммутационный узел AS1 - фото 42

Здесь кнопочный переключатель SB1, входящий в коммутационный узел AS1 горизонтальной наводки «орудия», включает двигатель M1 для поворота, скажем, вправо, a SB2 — влево.

Читать дальше
Тёмная тема
Сбросить

Интервал:

Закладка:

Сделать
Отзывы о книге «Юный техник, 2003 № 08»

Обсуждение, отзывы о книге «Юный техник, 2003 № 08» и просто собственные мнения читателей. Оставьте ваши комментарии, напишите, что Вы думаете о произведении, его смысле или главных героях. Укажите что конкретно понравилось, а что нет, и почему Вы так считаете.

x