Ден Томел - Поиск неисправностей в электронике

Здесь есть возможность читать онлайн «Ден Томел - Поиск неисправностей в электронике» весь текст электронной книги совершенно бесплатно (целиком полную версию без сокращений). В некоторых случаях можно слушать аудио, скачать через торрент в формате fb2 и присутствует краткое содержание. Город: Москва, Год выпуска: 2007, ISBN: 2007, Издательство: NT Press, Жанр: sci_radio, Технические науки, на русском языке. Описание произведения, (предисловие) а так же отзывы посетителей доступны на портале библиотеки ЛибКат.

Поиск неисправностей в электронике: краткое содержание, описание и аннотация

Предлагаем к чтению аннотацию, описание, краткое содержание или предисловие (зависит от того, что написал сам автор книги «Поиск неисправностей в электронике»). Если вы не нашли необходимую информацию о книге — напишите в комментариях, мы постараемся отыскать её.

В данной книге автор касается теоретических и практических основ диагностики и ремонта электротехнической и электронной аппаратуры. Приведены описания технических средств, предназначенных для этих целей. Исследованы методы поиска неисправностей в промышленном, бытовом, медицинском оборудовании. Рассмотрены типичные неполадки радио-, теле-, микропроцессорных и других систем.
Для инженеров, техников, обслуживающего персонала и радиолюбителей любого уровня.

Поиск неисправностей в электронике — читать онлайн бесплатно полную книгу (весь текст) целиком

Ниже представлен текст книги, разбитый по страницам. Система сохранения места последней прочитанной страницы, позволяет с удобством читать онлайн бесплатно книгу «Поиск неисправностей в электронике», без необходимости каждый раз заново искать на чём Вы остановились. Поставьте закладку, и сможете в любой момент перейти на страницу, на которой закончили чтение.

Тёмная тема
Сбросить

Интервал:

Закладка:

Сделать

Статическое сведение

Включите зеленую пушку. Настройте магниты статического сведения красного и зеленого так, чтобы два луча слились в центре экрана и образовали желтую точку. Теперь включите синюю пушку и соедините три луча в центре экрана для формирования белого цвета.

Динамическое сведение

Настройте каждый динамический регулятор на сведение в верхней части, нижней части и на сторонах трубки. Прежде, чем вы завершите полное сведение, важно настроить картинку на наиболее качественное получение серой шкалы, которая обеспечивает оптимальный баланс черного и белого. Когда телевизор включен, а цвет выключен, настройте регуляторы красного, синего и зеленого для получения серого растрового изображения.

Последний шаг заключается в настройке регуляторов экрана. Установите переключатель в рабочее положение. При этом по центру экрана появится горизонтальная линия. Поверните регуляторы цвета по часовой стрелке, а затем медленно настройте каждый из них так, чтобы цвет был едва виден.

Если при работе телевизора сведение не сохраняется, причина может заключаться в неисправном выпрямителе сведения.

Техническое обслуживание телевизионных приемников последних моделей

Материал этой главы касается общей теории работы телевизора и ориентирует вас на поиск наиболее вероятных неисправностей в блоках. Большинство из приведенных схем относятся к более старым телевизионным приемникам.

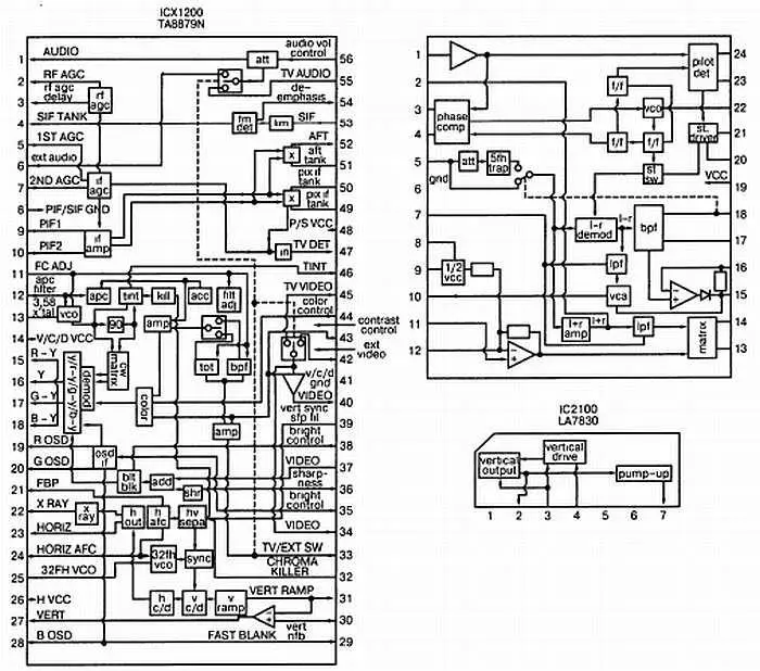
В современных телевизорах меньше отдельных полупроводниковых компонентов. Целые секции телевизора: тюнер, усилители видеосигнала и промежуточной частоты, блоки развертки, выходные каскады звукового сигнала и др. выполняются в виде интегральных схем (рис. 6.36).

Рис 636 Блоксхема компонентов телевизора ICX1200 Телеприемник - фото 173

Рис. 6.36. Блок-схема компонентов телевизора ICX1200

Телеприемник, представленный на рисунке, содержит усилители промежуточной частоты, видеоусилители, видеодетектор, детектор аудио ЧМ, генератор вертикальной и строчной развертки, и все это в одной ИМС!

Это не означает, что ИМС — единственный компонент, который может быть неисправен. Каждая ИМС соединена со многими периферийными компонентами. Для управления всей системой используется также микропроцессор.

В течение более 50 лет SAMS Photofacts поставляет техническую документацию по бытовой электронике для профессиональных специалистов сервисного обслуживания и электронщиков-любителей, которые увлекаются ремонтом оборудования. Обратите внимание, как распределены различные функциональные схемы (рис. 6.37).

Рис. 6.37. Схема секции усиления промежуточной частоты и обработки видеосигналов и части секции развертки

Рис 637 Схема секции усиления промежуточной частоты и обработки - фото 174

Рис. 6.37. Схема секции усиления промежуточной частоты и обработки видеосигналов и части секции развертки

Указаны формы сигналов и уровни напряжения постоянного тока для всех критических точек схемы. Большинство слаботочных каскадов обработки сигналов выполнены в виде одной ИМС, а усиление мощности и буферизация сигналов между каскадами осуществляются схемами с использованием транзисторов. Обратите внимание, что выходной каскад вертикальной развертки выполнен в виде отдельной ИМС, а выходной каскад строчной развертки — в виде двухкаскадной схемы с использованием мощных транзисторов.

Сервисное обслуживание современного телевизора требует знаний о прохождении сигнала для прогнозирования, наиболее вероятного источника проблемы, внутри которого можно с помощью осциллографа попытаться найти точки с неправильной формой сигналов. Когда локализована проблемная область, измерения с помощью вольтметра постоянного тока часто позволяют определить неисправный компонент.

Распространенной проблемой при ремонте современных телевизоров является блок питания. Старые приемники снабжены простыми линейным источником питания с несколькими регулируемыми напряжениями, подаваемыми на различные секции телевизора. Новейшие модели используют схему источника питания постоянного тока для генерации нескольких первичных напряжений питания, которые используются для секции генератора строчной развертки. Полученные на генераторе колебания снимаются с вторичной обмотки строчного трансформатора и используются для генерации других напряжений схем телевизора (рис. 6.38).

Читать дальше
Тёмная тема
Сбросить

Интервал:

Закладка:

Сделать

Похожие книги на «Поиск неисправностей в электронике»

Представляем Вашему вниманию похожие книги на «Поиск неисправностей в электронике» списком для выбора. Мы отобрали схожую по названию и смыслу литературу в надежде предоставить читателям больше вариантов отыскать новые, интересные, ещё непрочитанные произведения.


Отзывы о книге «Поиск неисправностей в электронике»

Обсуждение, отзывы о книге «Поиск неисправностей в электронике» и просто собственные мнения читателей. Оставьте ваши комментарии, напишите, что Вы думаете о произведении, его смысле или главных героях. Укажите что конкретно понравилось, а что нет, и почему Вы так считаете.

x