Ден Томел - Поиск неисправностей в электронике

Здесь есть возможность читать онлайн «Ден Томел - Поиск неисправностей в электронике» весь текст электронной книги совершенно бесплатно (целиком полную версию без сокращений). В некоторых случаях можно слушать аудио, скачать через торрент в формате fb2 и присутствует краткое содержание. Город: Москва, Год выпуска: 2007, ISBN: 2007, Издательство: NT Press, Жанр: sci_radio, Технические науки, на русском языке. Описание произведения, (предисловие) а так же отзывы посетителей доступны на портале библиотеки ЛибКат.

Поиск неисправностей в электронике: краткое содержание, описание и аннотация

Предлагаем к чтению аннотацию, описание, краткое содержание или предисловие (зависит от того, что написал сам автор книги «Поиск неисправностей в электронике»). Если вы не нашли необходимую информацию о книге — напишите в комментариях, мы постараемся отыскать её.

В данной книге автор касается теоретических и практических основ диагностики и ремонта электротехнической и электронной аппаратуры. Приведены описания технических средств, предназначенных для этих целей. Исследованы методы поиска неисправностей в промышленном, бытовом, медицинском оборудовании. Рассмотрены типичные неполадки радио-, теле-, микропроцессорных и других систем.
Для инженеров, техников, обслуживающего персонала и радиолюбителей любого уровня.

Поиск неисправностей в электронике — читать онлайн бесплатно полную книгу (весь текст) целиком

Ниже представлен текст книги, разбитый по страницам. Система сохранения места последней прочитанной страницы, позволяет с удобством читать онлайн бесплатно книгу «Поиск неисправностей в электронике», без необходимости каждый раз заново искать на чём Вы остановились. Поставьте закладку, и сможете в любой момент перейти на страницу, на которой закончили чтение.

Тёмная тема
Сбросить

Интервал:

Закладка:

Сделать

Подавленная несущая 19 кГц также передается как часть комплексного сигнала для синхронизации и восстановления частоты 38 кГц в приемнике при демодуляции. Цель подавленной несущей заключается в уменьшении энергии в комплексном стереосигнале для оптимального отношения сигнал/шум. сигнал в частоту 38 кГц. Выходной сигнал 38 кГц представляет собой точную копию подавленной несущей частоты с двумя боковыми полосами.

При пропускании сигнала L — R и сигнала 38 кГЦ через нелинейную схему демодулятора AM получаются суммы и разности сигналов, один из которых представляет собой сигнал L — R (в диапазоне от 30 ГЦ до 15 кГЦ), выделенный низкочастотным фильтром. Сигналы L — R и L + R подаются на стереодекодер и обрабатываются, как показано на рис. 6.10.

Рис 610 Блоксхема матрицы Обратите внимание что один канал складывает L - фото 149

Рис. 6.10. Блок-схема матрицы

Обратите внимание, что один канал складывает L + R и L — R и дает в результате сигнал L. Сигнал L — R проходит через фазовый инвертор, который изменяет знак L — R на — L + R. Сигналы L + R и — L + R складываются, формируя сигнал R. Сигналы R и L подаются на соответствующие усилители и затем на динамики.

Другой метод демодуляции заключается в электронном переключении (рис. 6.11).

Рис 611 Блоксхема демодуляции с помощью электронного ключа и сигнал ЧМ - фото 150

Рис. 6.11. Блок-схема демодуляции с помощью электронного ключа и сигнал ЧМ

Поступающий от детектора сигнал проходит через схему восстановления поднесущей частоты и затем подается на электронный переключатель. На рисунке также показан сигнал, который подается на переключатель, который переключает положительные и отрицательные полуволны комплексного звукового сигнала и демодулирует стереосигнал. Комплексный звуковой сигнал включает сигнал L + R, L — R и подавленную несущую 19 кГц (рис. 6.12).

Рис 612 Схема стереодекодера с электронным переключением Подавленная - фото 151

Рис. 6.12. Схема стереодекодера с электронным переключением

Подавленная несущая 19 кГц усиливается и подается на удвоитель частоты (CR1 и CR2), что позволяет регенерировать поднесущую 38 кГц. Сигнал поднесущей затем смешивается со звуковым сигналом для восстановления комплексного стереосигнала. Мостовая переключающая схема, состоящая из CR3, CR4, CR5, CR6, управляется за счет смены полярности полуволн напряжения поднесшей 38 кГц; при этом два плеча моста проводят по очереди. Таким образом, положительная и отрицательная составляющая комплексного стереосигнала квантуется частотой 38 кГц и на выходах моста присутствуют демодулированиые сигналы L и R.

Магнитофоны, проигрыватели компакт-дисков (CD), стереопроигрыватели и другое звуковое оборудование требуют одного или более усилителей для увеличения сигнала таким образом, чтобы его можно было слышать в динамике (рис. 6.13).

Рис 613 Двухтактный усилитель Транзистор Q1 служит предварительным - фото 152

Рис. 6.13. Двухтактный усилитель

Транзистор Q1 служит предварительным фазоразделительным каскадом для двухтактного усилителя. Конденсатор С1 — разделительный, препятствующий прохождению постоянной составляющей сигнала и передающий сигнал от каскада предусиления на фазоразделительный транзистор.

Конденсатор С2 и резистор R1 представляют собой эмиттерную RC-цепь, которая обеспечивает режим смещения транзистора по постоянному и переменному току. Трансформатор Т1 разделяет на 180° фазу сигналов, управляющих Q1 и Q3. Транзисторы двухтактного каскада усиливают сигнал по очереди, каждый свою полуволну, которые затем складываются на выходе. Конденсаторы С4 и С5 передают часть сигнала с коллектора назад на базу транзистора. Эта отрицательная обратная связь предотвращает переход транзисторов в колебательный режим и уменьшает искажения. Трансформатор Т2 согласовывает импеданс Q2 и Q3 с динамиком. Конденсаторы С3 и С6 представляют собой емкостные фильтры для развязки каждого каскада от паразитных и нежелательных сигналов в линии питания.

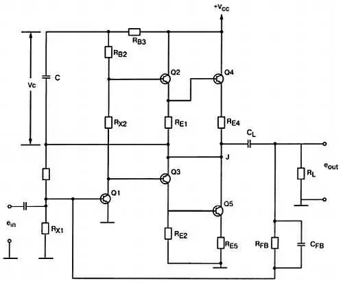
Другой, бестрансформаторный тип двухтактного усилителя мощности, с комплементарной (или квазикомплементарной) парой транзисторов в выходном каскаде — наиболее популярный тип усилителя (рис. 6.14).

Рис 614 Схема усилителя с квазикомплементарной парой выходных транзисторов - фото 153

Рис. 6.14. Схема усилителя с квазикомплементарной парой выходных транзисторов

Читать дальше
Тёмная тема
Сбросить

Интервал:

Закладка:

Сделать

Похожие книги на «Поиск неисправностей в электронике»

Представляем Вашему вниманию похожие книги на «Поиск неисправностей в электронике» списком для выбора. Мы отобрали схожую по названию и смыслу литературу в надежде предоставить читателям больше вариантов отыскать новые, интересные, ещё непрочитанные произведения.


Отзывы о книге «Поиск неисправностей в электронике»

Обсуждение, отзывы о книге «Поиск неисправностей в электронике» и просто собственные мнения читателей. Оставьте ваши комментарии, напишите, что Вы думаете о произведении, его смысле или главных героях. Укажите что конкретно понравилось, а что нет, и почему Вы так считаете.

x