Максим Жмакин - Диагностика и быстрый ремонт неисправностей легкового автомобиля

Здесь есть возможность читать онлайн «Максим Жмакин - Диагностика и быстрый ремонт неисправностей легкового автомобиля» — ознакомительный отрывок электронной книги совершенно бесплатно, а после прочтения отрывка купить полную версию. В некоторых случаях можно слушать аудио, скачать через торрент в формате fb2 и присутствует краткое содержание. Город: Москва, Год выпуска: 2009, ISBN: 2009, Издательство: Array Литагент «РИПОЛ», Жанр: Хобби и ремесла, на русском языке. Описание произведения, (предисловие) а так же отзывы посетителей доступны на портале библиотеки ЛибКат.

Диагностика и быстрый ремонт неисправностей легкового автомобиля: краткое содержание, описание и аннотация

Предлагаем к чтению аннотацию, описание, краткое содержание или предисловие (зависит от того, что написал сам автор книги «Диагностика и быстрый ремонт неисправностей легкового автомобиля»). Если вы не нашли необходимую информацию о книге — напишите в комментариях, мы постараемся отыскать её.

Если вы хотите избежать досадной поломки на дорогах, если стремитесь прекратить перерасход масла или бензина во время движения и если вам не нравится, как ведет себя автомобиль при разгоне или торможении, есть выход – своевременная диагностика. Профилактика основных систем современного автомобиля должна проходить не реже чем через каждые 20-30 тыс. км пробега, при этом большую часть работ можно проводить самостоятельно в домашних условиях.
Вопросам диагностики и выявления неисправностей сложного профессионального оборудования и посвящена данная книга, в которой даны пошаговые инструкции по замене наиболее часто изнашиваемых узлов автомобиля, а также приведены самые распространенные виды неисправностей с указанием наиболее распространенных причин и методов их устранения. В первую очередь книга будет интересна водителям автомобилей Волжского автомобильного завода, а также всем интересующимся ремонтом автомобилей ВАЗ.

Диагностика и быстрый ремонт неисправностей легкового автомобиля — читать онлайн ознакомительный отрывок

Ниже представлен текст книги, разбитый по страницам. Система сохранения места последней прочитанной страницы, позволяет с удобством читать онлайн бесплатно книгу «Диагностика и быстрый ремонт неисправностей легкового автомобиля», без необходимости каждый раз заново искать на чём Вы остановились. Поставьте закладку, и сможете в любой момент перейти на страницу, на которой закончили чтение.

Тёмная тема
Сбросить

Интервал:

Закладка:

Сделать
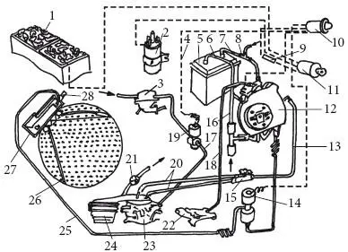
Рисунок 89 Основные элементы газобаллонной установки 1 аккумулятор 2 - фото 100

Рисунок 89. Основные элементы газобаллонной установки: 1 – аккумулятор; 2 – катушка зажигания; 3 – бензонасос; 4 – электрическая цепь; 5 – радиатор-отопитель; 6 – шланг подачи жидкости; 7 – ленточный хомут; 8 – тройник; 9 – предохранитель; 10 – переключатель вида топлива; 11 – замок зажигания; 12 – редуктор-испаритель низкого давления; 13 – шланг низкого давления; 14 – электромагнитный газовый клапан с фильтром; 15 – тройник-дозатор; 16 – кран перекрытия отопительной системы; 17 – шланг подачи бензина; 18 – вакуумный шланг; 19 – электромагнитный бензиновый клапан с рукояткой; 20 – патрубки, впаянные в переходную коробку воздушного фильтра; 21 – соединитель с накидной гайкой; 22 – коллектор двигателя; 23 – карбюратор; 24 – воздушный фильтр; 25 – гибкий газопровод высокого давления; 26 – баллон для сжиженного газа; 27 – блок запорно-предохранительной арматуры (мультипликатор); 28 – вентиляционный рукав

Если при переходе на газ двигатель начинает терять мощность, следует:

✓ отрегулировать работу воздушной заслонки;

✓ проверить трубопровод и фильтры на наличие засоров;

✓ при необходимости прочистить их.

В ходе проведения технического осмотра автомобиля осматривают и проверяют надежность присоединения вакуумного шланга и герметичность вакуумного устройства. Для этого требуется отсоединить вакуумную трубку от коллектора двигателя и вобрать в себя воздух из нее.

1. Если при вдыхании ощущается разрежение, вакуумное устройство в норме;

2. Если разрежения нет, следует разобрать редуктор автомобиля и проверить диафрагму разгрузочного устройства; при повреждении ее следует заменить.

Для проверки исправного состояния электромагнитного газового клапана нужно переключить автомобиль на газ и после этого включить зажигание.

Проверку технического состояния газобаллонного оборудования следует проводить через каждые 15 тыс. км пробега или 1 раз в год.

1. Если клапан исправен, будет слышен характерный щелчок;

2. При противоположном результате следует проверить, не разъединились ли контакты переключателя и не сгорел ли предохранитель (рис. 90).

Рисунок 90 Газовый фильтр с электромагнитным клапаном 1 клемма с выводом 2 - фото 101

Рисунок 90. Газовый фильтр с электромагнитным клапаном: 1 – клемма с выводом; 2 – соленоид; 3 – основание; 4 – выходной канал; 5 – кронштейн; 6 – резиновая прокладка; 7 – колпак; 8 – металлический держатель; 9, 10 – сетки; 11 – войлочные кольца; 12 – резиновое кольцо; 13 – стяжной штуцер; 14 – канал; 15 – магистральный газопровод; 16 – накидная гайка стяжного штуцера; 17 – накидная гайка выходного штуцера

В ходе осмотра автомобиля необходимо прочистить все фильтрующие элементы, так как при их засорении увеличивается сопротивление в системе подачи газа, что приводит к уменьшению мощности двигателя и его полной остановке.

Засорение фильтров может привести к попаданию различных частиц под клапаны редуктора, в результате чего происходит внутренняя разгерметизация узлов. Для прочистки фильтров их промывают в растворителе.

При прочистке фильтров следует соблюдать осторожность. Все работы выполняются после закрытия расходного вентиля на газовом баллоне. Во время их проведения необходимо внимательно следить за тем, чтобы колпак плотно прижимал уплотнительную прокладку. После окончания работ следует убедиться в герметичности соединений, проверив отсутствие утечки при помощи мыльной эмульсии.

Для проверки рабочего состояния переключателя вида топлива и смесителя снимают газовый шланг и погружают его свободный конец в емкость с водой, после этого фиксируют положение рукоятки переключателя в положении «газ» и нажимают на кнопку.

Если переключатель работает нормально, в воде появятся пузырьки воздуха, свидетельствующие о поступлении газа. Если газ не поступает, нужно проверить, открыт ли вентиль на газовом баллоне.

Если газ не продолжает поступать, вентиль снова перекрывают и проверяют, не засорен ли трубопровод, не загрязнены ли фильтры; при необходимости засоренные элементы системы снимают и проводят их прочистку.

В том случае, если засорен газопровод, трубки сначала продувают сжатым воздухом.

Если засор при этом не устраняется, следует пробить создавшуюся пробку проволокой, а затем окончательно очистить трубопровод веревкой с завязанными по всей ее длине узлами, которую прикрепляют к проволоке и протаскивают через засоренную трубку.

Читать дальше
Тёмная тема
Сбросить

Интервал:

Закладка:

Сделать

Похожие книги на «Диагностика и быстрый ремонт неисправностей легкового автомобиля»

Представляем Вашему вниманию похожие книги на «Диагностика и быстрый ремонт неисправностей легкового автомобиля» списком для выбора. Мы отобрали схожую по названию и смыслу литературу в надежде предоставить читателям больше вариантов отыскать новые, интересные, ещё непрочитанные произведения.


Отзывы о книге «Диагностика и быстрый ремонт неисправностей легкового автомобиля»

Обсуждение, отзывы о книге «Диагностика и быстрый ремонт неисправностей легкового автомобиля» и просто собственные мнения читателей. Оставьте ваши комментарии, напишите, что Вы думаете о произведении, его смысле или главных героях. Укажите что конкретно понравилось, а что нет, и почему Вы так считаете.

x