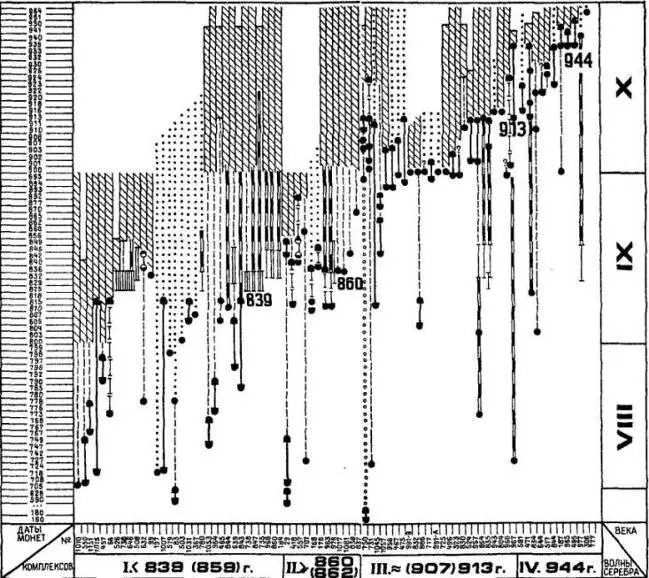
Из примерно 1200 погребений Бирки в 106 найдено 129 восточных монет (2 византийских, 3 сасанидских, 124 арабских), 18 — западных и 37 — скандинавской чеканки. На протяжении IX — первой половины X в. серебро поступало в Бирку неравномерно, несколькими волнами (рис. 156).
Первая волна восточного серебра в Бирке датируется временем до 839 (859) г. В середине IX столетия (отмеченного участием свеев в деятельности «каганата росов») наступает спад в поступлении арабского серебра, который, видимо, попытались восполнить, во-первых, поступлением западных монет, во-вторых, первыми опытами собственной чеканки: «монеты Бирки» типов KG 3, KG 4, KG 5 (по классификации Б. Мальмер) выпущены около или после 825 г. (Maimer 1966:109-133,201-218,246).
Перерыв, вызванный, видимо, взиманием дани, а затем «изгнанием варягов», прекращается после того, как славяне Ладоги, опираясь на «призванного» князя Рюрика с его, вероятно, западнобалтийской (датской или датско-норвежской) дружиной викингов, стабилизировали отношения со шведами.
Вторая волна восточного серебра поступила после 860 (862) г. Монета византийского императора Михаила III (842-856 гг.), возможно, связана с участием варягов в походе Аскольда на Константинополь (по византийским источникам, 860 г.). Вскоре после этого «русы», по свидетельству Мухаммеда аль-Хасана, написавшего «Историю Табаристана», напали на Абесгун. Видимо, уже во второй половине IX в. наметился своеобразный «круговой маршрут» через Русь в мусульманские земли, непосредственно к источникам серебра.
Третья волна, наиболее компактная и массовая, датируется временем между 907 и 913 гг. Несомненно, она связана с походом Олега на Константинополь, после которого «русы» в 909-910 гг. разграбили Абесгун, Миан-Кале и другие города Закаспия, а в 912-913 гг., по свидетельству Масуди, совершили еще один грабительский поход «на 500 кораблях» (Мавродин 1945: 218, 231-234).
Четвертая, последняя, волна арабского серебра (ок. 944 г.) может быть сопоставлена со знаменитым походом на Бердаа, во главе которого, как предполагал М. И. Артамонов, стоял воевода киевского князя Игоря варяг Свенельд (Артамонов 1966: 32). Бердаа находился в центре зоны обращения серебра, выпускавшегося на тех монетных дворах, продукция которых, по данным X. Арбмана, представлена в Швеции (Arbman 1955: 136). Именно здесь в первую очередь было захвачено это серебро в качестве военной добычи (см. рис. 157).

Рис. 156.Хронологическое распределение монет, найденных в погребальных комплексах могильника Бирки (Швеции)Кружками и полукружьями обозначены даты выпуска монет (сплошной заливкой — арабских, половинной — византийских); двойной чертой — время выпуска местных скандинавских монет; одинарной — западноевропейских; черно-белый пунктир — монета, превращенная в подвеску; косая штриховка — датировка комплекса по вещам; точечная штриховка — предположительное время формирования комплекса
Могилы предполагаемых «ветеранов походов» 913-914, 943-944 гг. содержат не только серебро, но и другие вещи, свидетельствующие о связях с Востоком. Наряду с предметами роскоши (дорогие ткани, посуда, украшения), которые могли быть не только добычей, но и товарами, поступавшими в Бирку, есть находки, иллюстрирующие более сложный, многоплановый характер этих связей. Так, в камерном погребении № 735 (X в., найдена монета первой волны, превращенная в подвеску) открыто захоронение воина в сопровождении женщины и коня. Среди мужских вещей — массивная булавка с длинной иглой, украшенная тремя масками, по манере изображения близкая маске из гнездовского клада 1867 г. В женском погребении, кроме скандинавских фибул (типа ЯП 51с), найдены азиатское зеркало, остатки шелковой материи, бубенчик восточноевропейского происхождения. Особенно интересен набор вооружения: меч с опущенным перекрестьем (черта, по мнению оружиеведов, восточная), пика и овальные стремена. Весь этот набор мог сложиться только на Востоке, в условиях постоянного военного контакта с кочевнической степью. Перед нами, вероятно, одно из типичных погребений «русов в Бирке» — пышная могила варяга, после долгой жизни на Руси вернувшегося на родину, где он, судя по погребальному обряду, занял видное положение среди местной раннефеодальной знати.
Вещевой импорт восточноевропейского происхождения позволяет уточнить маршруты шведских викингов. Ряд вещей происходит из Финляндии, Прибалтики и лесной зоны Древней Руси (от Смоленщины до Ярославского Поволжья): подковообразные пряжки круглого, треугольного и четырехугольного сечения, некоторые виды бубенчиков (прорезанные с пояском), подвески-уточки, гребни с фигурной спинкой. Следующий ареал аналогий — Прикамье (отсюда, в частности, происходят известные ажурные кресала; в орнаментике некоторых камских кресал Г. Ф. Корзухина установила параллели со скандинавской мифологией) (Корзухина 1976: 135-140). Наконец, серия вещей — «хазарского происхождения» (по Арбману) — связана с ареалом салтово-маяцкой культуры (поясные бляшки, солярные привески, оружие, сбруя). Таким образом, документировался путь варяжских дружин через земли Хазарского каганата по Дону — на Волгу, а равным образом, их движение по Волжскому пути (который, видимо, использовался при возвращении дружин в Скандинавию из Закаспия).
Читать дальше