Томас Маклафлин - Обзор ядерных аварий с возникновением СЦР (LA-13638)

Здесь есть возможность читать онлайн «Томас Маклафлин - Обзор ядерных аварий с возникновением СЦР (LA-13638)» весь текст электронной книги совершенно бесплатно (целиком полную версию без сокращений). В некоторых случаях можно слушать аудио, скачать через торрент в формате fb2 и присутствует краткое содержание. Город: Лос-Аламос, Нью-Мексико, Год выпуска: 2003, Издательство: Лос-Аламосская национальная лаборатория, Жанр: Физика, на русском языке. Описание произведения, (предисловие) а так же отзывы посетителей доступны на портале библиотеки ЛибКат.

  • Название:
    Обзор ядерных аварий с возникновением СЦР (LA-13638)
  • Автор:
  • Издательство:
    Лос-Аламосская национальная лаборатория
  • Жанр:
  • Год:
    2003
  • Город:
    Лос-Аламос, Нью-Мексико
  • ISBN:
    нет данных
  • Рейтинг книги:
    5 / 5. Голосов: 1
  • Избранное:
    Добавить в избранное
  • Отзывы:
  • Ваша оценка:
    • 100
    • 1
    • 2
    • 3
    • 4
    • 5

Обзор ядерных аварий с возникновением СЦР (LA-13638): краткое содержание, описание и аннотация

Предлагаем к чтению аннотацию, описание, краткое содержание или предисловие (зависит от того, что написал сам автор книги «Обзор ядерных аварий с возникновением СЦР (LA-13638)»). Если вы не нашли необходимую информацию о книге — напишите в комментариях, мы постараемся отыскать её.

Обсуждаются ядерные аварии с возникновением самоподдерживающейся цепной реакции (СЦР) и характеристики разгона на мгновенных нейтронах на критических сборках. Рассмотрено 60 аварий на различного типа оборудовании и установках. Приводятся детали, позволяющие читателю понять физическую картину, химические процессы во время аварии, а также предоставляется информация об административной обстановке на промежутке времени, предшествующем возникновению аварии, в тех случаях, когда она доступна. Приводится картина изменения мощности во времени, приводятся данные об энерговыделении, последствиях и причинах аварии. Для описания тех аварийных ситуаций, которые возникли на промышленных предприятиях, в настоящую версию были включены два новых раздела. В первом из них содержится анализ и выводы о физических и ядерно-физических свойствах систем, в которых происходила цепная реакция. Во втором обобщаются наблюдения и обсуждаются извлеченные уроки. Обсуждение случаев резкого превышения мощности крупных энергетических реакторов не включено в данный отчет.

Обзор ядерных аварий с возникновением СЦР (LA-13638) — читать онлайн бесплатно полную книгу (весь текст) целиком

Ниже представлен текст книги, разбитый по страницам. Система сохранения места последней прочитанной страницы, позволяет с удобством читать онлайн бесплатно книгу «Обзор ядерных аварий с возникновением СЦР (LA-13638)», без необходимости каждый раз заново искать на чём Вы остановились. Поставьте закладку, и сможете в любой момент перейти на страницу, на которой закончили чтение.

Тёмная тема
Сбросить

Интервал:

Закладка:

Сделать

Эта авария привела к решению о проведении критических экспериментов в реальных заводских условиях для определения критических параметров сосудов, используемых в технологическом процессе. Следующая авария на ПО "Маяк" произошла на этом экспериментальном оборудовании.

3. ПО «Маяк», г. Озерск, 2 января 1958 г

Раствор уранилнитрата, U(90 %), в экспериментальной емкости; одна вспышка; три летальных исхода, один случай значительного облучения.

Эта ядерная авария была уникальной, потому что она произошла на установке, которая использовалась для проведения внутризаводских критических экспериментов. Однако, в связи с тем, что она произошла после прекращения эксперимента во время передачи раствора с делящимся материалом в емкости безопасной геометрии, ее классифицировали как производственную ядерную аварию.

После аварии 1957 года было решено установить оборудование для измерения критических параметров высокообогащенного раствора уранилнитрата. Считалось, что это необходимо и актуально в свете широкого использования производственных баков опасной геометрии, неопределенностей в критических параметрах перерабатываемых материалов и наличия растворов урана и системы их подготовки. Прежде критические размеры емкостей, равно как и критические концентрации и объемы раствора, оценивались преимущественно на основе расчетов из-за отсутствия прямых критических экспериментов.

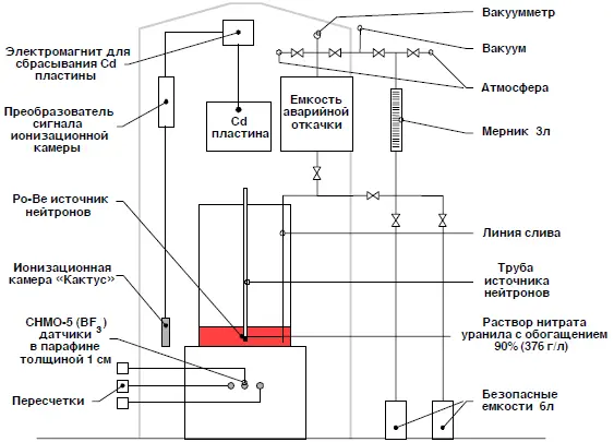
Небольшая экспериментальная установка, представленная на рисунке 8, находилась в отдельной комнате, но в главном производственном здании. К моменту аварии она проработала всего два месяца. Во время измерений экспериментаторы обычно находились у пульта управления в нескольких метрах от установки и за защитой толщиной 0,5 м, заполненной водой.

Первая серия экспериментов была нацелена на определение критических параметров небольших баков. Этот же эксперимент был первым экспериментом с большим баком. Это был стальной цилиндрический бак с внутренним диаметром 75 см и типичной для технологических баков толщиной стенок, возможно, 2–4 мм. Раствор делящегося материала с известной концентрацией и объемом поступал из находящегося сверху дозатора вместимостью три литра. Экспериментальный бак размещался на расстоянии 80 см от бетонного пола на стальной подставке толщиной 8 мм и не имел существенных отражателей. Его вместимость превышала 400 литров, что позволяло делать измерения критических параметров в широком диапазоне концентраций урана. Центральная труба содержала нейтронный источник, и поток нейтронов регистрировался расположенными снаружи бака пропорциональными счетчиками нейтронов, наполненными газом BF3. В измерениях коэффициента размножения нейтронов применялась стандартная методика обратного умножения. Эксперимент был закончен, когда в бак было залито 64,4 литра раствора уранилнитрата с концентрацией урана 376 г/л.

По окончании каждого эксперимента, согласно регламенту, требовалось сливать раствор в безопасные емкости. Выдав из бака часть раствора, начальник смены, полагая, что бак находится в глубоко подкритическом состоянии, решил ускорить утомительный процесс перелива и вручную слить из него оставшийся раствор. Для этого пришлось извлечь нейтронный источник, снять направляющую трубу и отсоединить бак от подставки. Затем трое экспериментаторов руками подняли бак и начали наклонять его для слива раствора. В это время и произошел всплеск мощности.

Рисунок 8 Схема расположения экспериментального оборудования Они ощутили - фото 14
Рисунок 8. Схема расположения экспериментального оборудования.

Они ощутили вспышку и увидели выброс раствора из бака до потолка помещения высотой 4 м. Очевидно, раствор был намного ближе к критическому состоянию, чем предполагали экспериментаторы. Дополнительного отражения от троих экспериментаторов (это было и до наклона бака) в комбинации с изменением геометрии раствора в баке было достаточно, чтобы привести систему в критическое состояние на мгновенных нейтронах. Слабый нейтронный фон, по оценкам составлявший лишь сто нейтронов в секунду, по-видимому, также повлиял на запаздывание начала цепной реакции и, таким образом, повысил энергетику всплеска мощности.

Трое экспериментаторов бросили бак и вместе с четвертым экспериментатором, находившимся в 2,5 м от бака, немедленно отправились в раздевалку, приняли душ и были отправлены в больницу. На основе измерений активности продуктов деления в растворе было оценено число делений за единственный пик мощности, которое составило 2,25 X 10 17.

Читать дальше
Тёмная тема
Сбросить

Интервал:

Закладка:

Сделать

Похожие книги на «Обзор ядерных аварий с возникновением СЦР (LA-13638)»

Представляем Вашему вниманию похожие книги на «Обзор ядерных аварий с возникновением СЦР (LA-13638)» списком для выбора. Мы отобрали схожую по названию и смыслу литературу в надежде предоставить читателям больше вариантов отыскать новые, интересные, ещё непрочитанные произведения.


Отзывы о книге «Обзор ядерных аварий с возникновением СЦР (LA-13638)»

Обсуждение, отзывы о книге «Обзор ядерных аварий с возникновением СЦР (LA-13638)» и просто собственные мнения читателей. Оставьте ваши комментарии, напишите, что Вы думаете о произведении, его смысле или главных героях. Укажите что конкретно понравилось, а что нет, и почему Вы так считаете.

x