Владимир Золотницкий - Определение и устранение неисправностей своими силами в автомобиле

Здесь есть возможность читать онлайн «Владимир Золотницкий - Определение и устранение неисправностей своими силами в автомобиле» весь текст электронной книги совершенно бесплатно (целиком полную версию без сокращений). В некоторых случаях можно слушать аудио, скачать через торрент в формате fb2 и присутствует краткое содержание. Жанр: Технические науки, на русском языке. Описание произведения, (предисловие) а так же отзывы посетителей доступны на портале библиотеки ЛибКат.

Определение и устранение неисправностей своими силами в автомобиле: краткое содержание, описание и аннотация

Предлагаем к чтению аннотацию, описание, краткое содержание или предисловие (зависит от того, что написал сам автор книги «Определение и устранение неисправностей своими силами в автомобиле»). Если вы не нашли необходимую информацию о книге — напишите в комментариях, мы постараемся отыскать её.

Предлагаемая книга поможет читателю разобраться во всем многообразии возможных неисправностей автомобилей отечественного и иностранного производств, по внешним признакам найти их причину и быстро их ликвидировать.
Предназначена для автомобилистов.

Определение и устранение неисправностей своими силами в автомобиле — читать онлайн бесплатно полную книгу (весь текст) целиком

Ниже представлен текст книги, разбитый по страницам. Система сохранения места последней прочитанной страницы, позволяет с удобством читать онлайн бесплатно книгу «Определение и устранение неисправностей своими силами в автомобиле», без необходимости каждый раз заново искать на чём Вы остановились. Поставьте закладку, и сможете в любой момент перейти на страницу, на которой закончили чтение.

Тёмная тема
Сбросить

Интервал:

Закладка:

Сделать

Износ направляющих втулок клапанов.Выявить износы внутренних поверхностей втулок сложно из-за малого их диаметра (8 мм) при сравнительно большой длине (почти 50 мм). При износившихся втулках требуется перво-наперво заменить клапаны. Новый клапан под действием собственного веса должен свободно опускаться во втулку, при этом зазора между втулкой и клапаном, что можно обнаружить рукой, не должно быть. Если замена клапанов результата не даст, то от ремонтных работ следует отказаться и вот почему. Запчасти, поставляемые в продажу, не всегда соответствуют требованиям, предъявляемым к их характеристикам, – высокая износостойкость материала, хорошая теплопроводность, филигранная точность обработки всех элементов деталей. В результате клапан не садится в седло, а сымитировать заводскую технологию запрессовки новых втулок едва ли удастся даже наиболее продвинутому автосервису. А если и удастся, то стоимость ремонтных работ и заменяемых деталей будет равняться стоимости новой головки блока.

Диагностирование неисправностей двигателя по состоянию свечей зажигания

Загрязнение электродов и теплового конуса свечи

Тонкий слой налета светло-серого или светло-коричневого цвета.Двигатель исправен. Свеча соответствует двигателю по тепловой характеристике. Юбочка изолятора нагревается в пределах 400–800 °C.

Расход топлива, моторного масла и токсичность отработавших газов в норме, нагар на свече почти полностью отсутствует.

Отрегулировать искровой зазор (каждые 10 тыс. км пробега повторять эту операцию).

Матовая черная копоть.Свеча не предназначена для данного двигателя, ее юбочка нагревается до 400 °C и на ней скапливаются маслянистые отложения, которые не выгорают полностью и образуют слой сажистых токопроводящих отложений.

Подобрать свечу «погорячее» по калильному числу. Если это не помогает, то, видимо, двигатель работает на богатой смеси, неверно отрегулирован карбюратор и угол опережения зажигания. Уточнить, в чем именно причина неисправности, и устранить ее.

Блестящий черный маслянистый нагар.Свеча соответствует данному двигателю, но у самого двигателя низкая компрессия и, как следствие, повышенный расход топлива, затрудненный пуск, неустойчивая работа на холостом ходу. В камеру сгорания поступает излишек масла. Двигатель нуждается в ремонте.

Толстый слой рыхлых отложений.Свеча «горячая» для данного двигателя. Бензин и масло не соответствуют ТУ. Перебои в работе двигателя, затрудненный пуск.

Заменить топливо и масло. При этом систему смазки промыть, а систему вентиляции картера прочистить, после чего заменить свечу.

Белый от перегрева нагар, растрескивание теплового конуса изолятора, оплавление или выгорание электродов.Слишком «горячая» свеча для данного двигателя. Юбочка изолятора нагревается свыше 800 °C, а если превышает 900 °C, двигатель начинает работать от калильного зажигания и может быть поврежден (клапаны, поршни, кольца). Появляются перебои в его работе. Выбрать свечу «похолоднее». Проверить исправность системы охлаждения и смазки, и только после этого можно установить момент зажигания.

При выборе свечей руководствоваться инструкцией по эксплуатации данного автомобиля.

Неисправности в узлах трансмиссии

Неисправности сцепления

Сцепление пробуксовывает. Недостаточное ускорение автомобиля при росте оборотов двигателя. Потеря мощности при движении на подъеме. Запах гари от перегретого сцепления

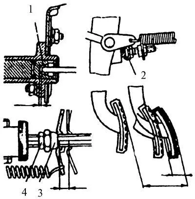
Отсутствие свободного хода педали сцепления с гидравлическим приводом.Проверить и отрегулировать свободный ход педали. Установить зазор 0,1–0,5 мм в главном цилиндре 1 (рис. 21) ограничителем 2 педали сцепления. Он определяется свободным ходом педали на 0,4–2 мм. Установить свободный ход толкателя рабочего цилиндра регулировочной гайкой 3 и контргайкой 4 на 4–5 мм. После регулировок свободный ход педали до начала выключения сцепления должен составлять 25–35 мм.

Рис 21 Регулировка сцепления с гидроприводом 1 главный цилиндр сцепления - фото 24

Рис. 21. Регулировка сцепления с гидроприводом: 1 – главный цилиндр сцепления; 2 – ограничитель педали; 3 – регулировочная гайка; 4 – контргайка.

У автомобилей с тросовым приводом нарушен ход вилки выключения сцепления и не отрегулирован полный ход педали.Нажать не менее трех раз на педаль сцепления (ход 125–130 мм), до упора в коврик пола. Изменить гайками 1 (рис. 22) положение наконечника оболочки троса 3 в кронштейне 2 его крепления.

Читать дальше
Тёмная тема
Сбросить

Интервал:

Закладка:

Сделать

Похожие книги на «Определение и устранение неисправностей своими силами в автомобиле»

Представляем Вашему вниманию похожие книги на «Определение и устранение неисправностей своими силами в автомобиле» списком для выбора. Мы отобрали схожую по названию и смыслу литературу в надежде предоставить читателям больше вариантов отыскать новые, интересные, ещё непрочитанные произведения.


Отзывы о книге «Определение и устранение неисправностей своими силами в автомобиле»

Обсуждение, отзывы о книге «Определение и устранение неисправностей своими силами в автомобиле» и просто собственные мнения читателей. Оставьте ваши комментарии, напишите, что Вы думаете о произведении, его смысле или главных героях. Укажите что конкретно понравилось, а что нет, и почему Вы так считаете.

x