А. Панов - Программа НАСА «Меркурий» – фальшивые полеты. Признаки фальсификации

Здесь есть возможность читать онлайн «А. Панов - Программа НАСА «Меркурий» – фальшивые полеты. Признаки фальсификации» — ознакомительный отрывок электронной книги совершенно бесплатно, а после прочтения отрывка купить полную версию. В некоторых случаях можно слушать аудио, скачать через торрент в формате fb2 и присутствует краткое содержание. ISBN: , Жанр: Критика, Публицистика, на русском языке. Описание произведения, (предисловие) а так же отзывы посетителей доступны на портале библиотеки ЛибКат.

Программа НАСА «Меркурий» – фальшивые полеты. Признаки фальсификации: краткое содержание, описание и аннотация

Предлагаем к чтению аннотацию, описание, краткое содержание или предисловие (зависит от того, что написал сам автор книги «Программа НАСА «Меркурий» – фальшивые полеты. Признаки фальсификации»). Если вы не нашли необходимую информацию о книге — напишите в комментариях, мы постараемся отыскать её.

В Интернете длительное время ведется полемика между сторонниками НАСА и противниками американского обмана. «Адвокаты» НАСА особенно яростно и последовательно пытались защитить от претензий скептиков Лунный Обман США. Но фальсификация пилотируемых полетов НАСА началась 5 мая 1961 года. В книге рассмотрены неопровержимые улики и признаки фальсификации «полетов» программы «Меркурий».

Программа НАСА «Меркурий» – фальшивые полеты. Признаки фальсификации — читать онлайн ознакомительный отрывок

Ниже представлен текст книги, разбитый по страницам. Система сохранения места последней прочитанной страницы, позволяет с удобством читать онлайн бесплатно книгу «Программа НАСА «Меркурий» – фальшивые полеты. Признаки фальсификации», без необходимости каждый раз заново искать на чём Вы остановились. Поставьте закладку, и сможете в любой момент перейти на страницу, на которой закончили чтение.

Тёмная тема
Сбросить

Интервал:

Закладка:

Сделать
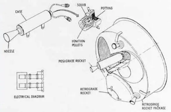
Выше показаны Ракетные двигатели Posigrade posigrade rocket retrograde - фото 34

Выше показаны «Ракетные двигатели Posigrade» (posigrade rocket, retrograde rocket), для них нужно было топливо. Перекись водорода в американской мифологии про «космический» аппарат «Меркурий» использовалась, как топливо для ретро двигателей торможения и для поворотных двигателей: «Для управления ориентацией КК «Меркурий» было установлено 18 управляющих двигателей реактивной системы управления, работавших на однокомпонентном топливе (перекиси водорода). В присутствии катализатора перекись водорода разлагается с выделением большого количества тепла.

За счет высокой температуры образующегося при этом парогаза удельные характеристики такого топлива значительно выше, чем у систем, работающих на холодном газе. Кроме того, масса и габариты баллонов для хранения перекиси также меньше. Однако перекисная система гораздо сложнее воздушной. Разложение перекиси водорода происходит непосредственно в камерах двигателей, где для этого помещается специальный катализатор. Такие двигатели обладают рядом особенностей и недостатков (низкими динамическими характеристиками, большим импульсом последействия и т. д.). Поэтому, несмотря на сравнительно простую и непродолжительную программу полета на КК «Меркурий», пришлось установить два независимых комплекта управляющих двигателей. Причем в каждый комплект входили двигатели с большой и малой тягой. Первые (тяга 26 и 108 Н) использовались для разворота КК и стабилизации при работе тормозной двигательной установки, вторые (4,4 Н) – для поддержания заданной ориентации в орбитальном полете. При использовании двигателей малой тяги экономилось топливо, и повышалась точность ориентации». [4]

Проблема с таким топливом состоит в том, что его нельзя размещать поблизости с источником сильного нагревания. Это большая проблема. В баках из-под такого топлива много кислорода. Что будет, если нагревать поверхность бака с перекисью водорода, с парами воды и кислорода? Не надо обладать глубокими познаниями в химии, чтобы понять абсурдность размещения бака с перекисью водорода вплотную к тепловому экрану. Конечно же, фальсификаторы не особенно заботились о реалистичности своей выдумки и разместили смело такой бак под тепловым экраном, в зоне максимального теплового аэродинамического нагрева. Но в некоторых схемах, которые показывали устройство «космической» капсулы, указанный бак для перекиси водорода отсутствует. Вероятно, что обманщики НАСА понимали абсурдность и нелепость демонстрации бака с ракетным топливом рядом с тепловым экраном. Пропагандисты НАСА признавали главный факт: «В конце 50-х годов в США не было достаточно мощной РН, и поэтому одновременно с работой над самим КК спешно на базе имевшейся ракеты создавалась и РН». [4] Поэтому сказочникам пришлось сочинять миф о «крайне жестких массогабаритных ограничениях, что наложило отпечаток на его компоновку». [4] На схеме капсулы, ниже, указаны тепловой экран (19), поворотные двигатели (18), двигатели торможения (3). Но указание на бак с ракетным топливом отсутствует. Отсутствует в мифологии НАСА абсурдное, по сути, описание трубопроводов по подаче топлива из бака к ретро двигателям.

Описание устройства капсулы Меркурий Рис 4 Компоновка КК Меркурий 1 - фото 35

Описание устройства капсулы «Меркурий»: «Рис. 4. Компоновка КК „Меркурий“: 1 – космонавт, 2 – ферма двигательной установки САС, 3 – сбрасываемая связка двигателей тормозной двигательной установки, 4 – кресло космонавта, 5 – ручка включения САС, 6 – пульт космонавта, 7 – герметичная кабина, 8 – основной и запасной парашюты, 9 – сопла управления по тангажу, 10 – баки с перекисью водорода, 11 – вытяжной парашют, 12 – основной двигатель двигательной установки САС, 13 – двигатель сброса и увода двигательной установки САС, 14 – датчик инфракрасной вертикали, 15 – двигатели управления по рысканию (курсу), 16 – перископ, 17 – ручка управления ориентацией КК, 18 – двигатели управления по крену, 19 – теплозащитный экран». [4] Подача ракетного топлива к двигателям торможения и поворота, расположенных рядом с тепловым экраном (ТЭ). Это абсурдное и нелепое решение, которое не имеет ничего общего с объективной реальностью. Мифология НАСА сплошной абсурд. При этом вопрос о нахождении под ТЭ «ударной юбки» остался без ответа!

Необходимо отметить что американская мифология в полетах капсул Меркурий - фото 36

Необходимо отметить, что американская мифология в полетах капсул «Меркурий», сочинила миф о «Трехосном ручном управлении космического аппарата Меркурий». Схема этой системы выше. Надписи: PALM PIVOT – Шарнир ладони; WRIST PIVOT – Шарнир запястья. Американские сказочники, вероятно, хотели показать как «космонавт» США мог изменять направление сопел поворотных двигателей. По-другому эту странную схему оценить сложно. Но вся проблема заключается в том, что связка ретро двигателей на тепловом экране, по мифологии НАСА, отделялась после торможения. Расположение таких двигателей торможения тоже были абсурдными и нелепыми решениями «конструкторов». А двигатели поворота на поверхности капсулы были не видны. Это хорошо наблюдается на фотографиях с сайта НАСА, посвященных «полету» Алана Шепарда. Ниже фотографии НАСА, с изображением «космической» капсулы. В верхней части аппарата нет двигателей поворота. В нижней – тоже.

Читать дальше
Тёмная тема
Сбросить

Интервал:

Закладка:

Сделать

Похожие книги на «Программа НАСА «Меркурий» – фальшивые полеты. Признаки фальсификации»

Представляем Вашему вниманию похожие книги на «Программа НАСА «Меркурий» – фальшивые полеты. Признаки фальсификации» списком для выбора. Мы отобрали схожую по названию и смыслу литературу в надежде предоставить читателям больше вариантов отыскать новые, интересные, ещё непрочитанные произведения.


Отзывы о книге «Программа НАСА «Меркурий» – фальшивые полеты. Признаки фальсификации»

Обсуждение, отзывы о книге «Программа НАСА «Меркурий» – фальшивые полеты. Признаки фальсификации» и просто собственные мнения читателей. Оставьте ваши комментарии, напишите, что Вы думаете о произведении, его смысле или главных героях. Укажите что конкретно понравилось, а что нет, и почему Вы так считаете.